Klub miłośników turystyki kamperowej - CamperTeam
FAQFAQ  SzukajSzukaj  UżytkownicyUżytkownicy  GrupyGrupy RejestracjaRejestracja  ZalogujZaloguj  AlbumAlbum  Chat  DownloadDownload

Poprzedni temat «» Następny temat
WŁĄCZNIK TERMICZNY WENTYLATORA J5 - rozpiska
Autor Wiadomość
jacik 
stary wyga


Twój sprzęt: J5 Frankia A730
Dołączył: 24 Cze 2013
Piwa: 13/12
Skąd: Łódź
Wysłany: 2014-05-08, 16:13   WŁĄCZNIK TERMICZNY WENTYLATORA J5 - rozpiska

Witam
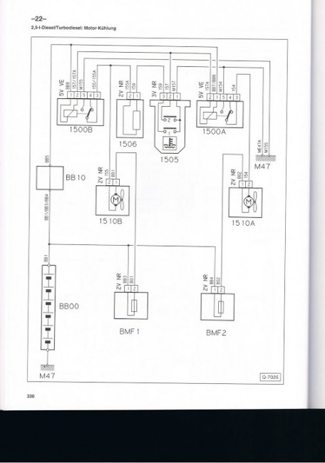
Ma ktoś rozpiskę przewodów ?
Czy spięte dwa w wtyczkę to zasilanie a jeden osobny ma iść gdzieś do wentylatora?
Gniazdo na taką wtyczkę mam ale nie wiem gdzie podłączyć osobny czerwony przewód.
Może ma ktoś schemat instalacji elektrycznej J5 z 92r?

Link do podobnego
Postaw piwo autorowi tego posta
 
 
 
arek 
zaawansowany

Twój sprzęt: Ducato Bavaria T61
Pomógł: 1 raz
Dołączył: 26 Paź 2007
Piwa: 4/11
Skąd: Piotrków Trybunalski
Wysłany: 2014-05-10, 10:16   .

schemat czerwony + czarny -

CCF20101204_00027.jpg
Plik ściągnięto 39 raz(y) 56,64 KB

Postaw piwo autorowi tego posta
 
 
Wyświetl posty z ostatnich:   
Odpowiedz do tematu
Nie możesz pisać nowych tematów
Nie możesz odpowiadać w tematach
Nie możesz zmieniać swoich postów
Nie możesz usuwać swoich postów
Nie możesz głosować w ankietach
Nie możesz załączać plików na tym forum
Możesz ściągać załączniki na tym forum

Dodaj temat do ulubionych
Wersja do druku

Skocz do:  

Powered by phpBB modified by Przemo © 2003 phpBB Group
*** Facebook/CamperTeam ***