|
Przekaźnik, stycznik ? Przetwornica i 230 v |
| Autor |
Wiadomość |
orkaaa
weteran

Twój sprzęt: Chausson 627 GA
Pomógł: 11 razy Dołączył: 04 Cze 2017 Piwa: 68/2 Skąd: kielce
|
Wysłany: 2025-09-12, 13:48 Przekaźnik, stycznik ? Przetwornica i 230 v
|
|
|
Poszukuje przekaźnika automatycznego lub stycznika który ogarnie automatyczne przełączenie prądu słupek 230 i przetwornica. Chodzi o automatyczne odcięcie prądu z przetwornicy gdy pojawia się napięcie ze słupka. Moc 10 A.
Gdyby ktoś u siebie założył i działało to proszę o opis nazwę urządzenia.
Upraszczając dwa wejścia 230 v słupek i 230 v przetwornica i jedno wyjście 230 v . |
| |
|
|
|
 |
joko
Kombatant

Twój sprzęt: Rapido i96M
Pomógł: 13 razy Dołączył: 17 Cze 2013 Piwa: 545/45 Skąd: Małopolska
|
Wysłany: 2025-09-12, 14:31
|
|
|
To się nazywa "Automatyczny przełącznik źródła zasilania" i jest tego sporo na rynku. Nie podaję konkretnego linku , żeby nie sugerować jakiegoś konkretnego modelu. Poszukaj , na pewno znajdziesz.
Wybierz taki, który ma możliwie najkrótszy czas przełączania i taką obciążalność prądową jaką potrzebujesz.
Zazwyczaj są w obudowach z mocowaniem na listwę bezpiecznikową i to jest wygodne.
Zakładasz do skrzynki gdzie masz bezpiecznik od gniazda pod słupek i wpinasz pomiędzy ten bezpiecznik, a gniazdka 230V.
Wyjście z bezpiecznika głównego wpinasz do wejścia nr 1 (priorytetowe) przełącznika , do wejścia numer 2 wpinasz przetwornicę , a do wyjścia przełącznika podłączasz instalację 230V kampera.
Tutaj jedna istotna uwaga mianowicie jeśli masz lodówkę na gaz, 12V i 230V, oraz ładowarki akumulatorów zabudowy i rozruchu ich obwody 230V pozostaw po stronie bezpiecznika głównego , aby po włączeniu przetwornicy te urządzenia nie były nią zasilane .
Miałem takie rozwiązanie dawno temu , kiedy miałem jakąś prostą przetwornicę i działało to dobrze.
Teraz większość przetwornic z funkcją UPS ma taki przełącznik źródła wbudowany i ma wbudowaną również ładowarkę akumulatora .
Taka przetwornica ma WE 230V, WY 230V i przyłacza +/- do akumulatora .
Do wejścia wpinasz słupek , do wyjścia całą instalację (z pominięciem lodówki ), wywalasz ładowarkę akumulatora , wpinasz akumulator do przetwornicy i wszystko działa . Minimum kabli i pewność ciągłości zasilania . Wpinasz słupek zasilanie idzie z niego, akumulator się ładuje, odpinasz słupek zasilanie idzie z akumulatora. |
|
|
|
 |
orkaaa
weteran

Twój sprzęt: Chausson 627 GA
Pomógł: 11 razy Dołączył: 04 Cze 2017 Piwa: 68/2 Skąd: kielce
|
Wysłany: 2025-09-12, 17:03
|
|
|
| Dzięki Joko. Ja już wstępnie przejrzałem internet bo wiem czego szukam. Moja prośba wynika z praktyki. Ktoś ma i działa więc nie chce otwierać już raz otwartych drzwi. Przejrzałem nasze forum ale nie znalazłem prostego rozwiązania stąd moje pytanie. |
|
|
|
 |
przemo.d
stary wyga
Twój sprzęt: FORD 2.0 CI
Nazwa załogi: Przemo.D
Pomógł: 1 raz Dołączył: 18 Gru 2011 Piwa: 28/142 Skąd: Piaseczno
|
Wysłany: 2025-09-12, 19:08
|
|
|
Żeby to zrobić potrzebujesz przekaźnik który ma cewkę na 230V i styki przełączne wraz z podstawką na listwę. Są takie z dodatkową dźwigienką mechaniczną tak awaryjnie, to tanie rzeczy. ..
Ja także już kiedyś tak przerobiłem sobie instalacje w przyczepie jeszcze wtedy, dziś nie podłączam 230V to nie ma potrzeby |
| |
|
|
|
 |
rigg
stary wyga

Twój sprzęt: Benimar Tessoro 468 NK
Pomógł: 3 razy Dołączył: 25 Lis 2014 Piwa: 26/14 Skąd: Kaszubowo
|
Wysłany: 2025-09-13, 02:32
|
|
|
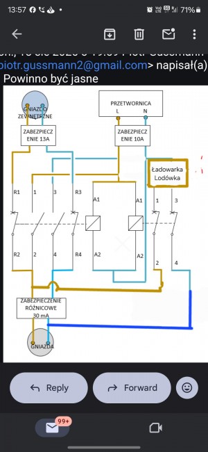
Jestem świeżo po montażu ww styczników. Pomocny był pewien jutuber i po kilku korektach udało się wszystko poprawnie podłączyć. U mnie siedzi przetwornica 2000/4000 i po podłączeniu jej do "sieci kamperowej" mam prąd 220v tylko na gniazdach, lodówka i ładowarka są odłączone.
Po podłączeniu do słupka, prąd jest wszędzie. Na zdjęciach styczniki i bezpieczniki jak i schemat połączeń. W razie W podeślę linki, ale parametry gratów widać na zdjęciach.
unnamed.jpg
|
 |
| Plik ściągnięto 9 raz(y) 160,83 KB |
Zd 1.jpg
|
 |
| Plik ściągnięto 11 raz(y) 646,4 KB |
|
|
|
|
 |
orkaaa
weteran

Twój sprzęt: Chausson 627 GA
Pomógł: 11 razy Dołączył: 04 Cze 2017 Piwa: 68/2 Skąd: kielce
|
Wysłany: 2025-09-13, 06:36
|
|
|
| Rigg podeślij linki. I jeszcze jedno pytanie dlaczego lodówka nie jest włączona do tej sieci ? Chodzi o jej zasilanie z przetwornicy 230 v. |
|
|
|
 |
Komplecik
Kombatant
Twój sprzęt: Adriianna
Nazwa załogi: Kompleciki :)
Pomógł: 5 razy Dołączył: 13 Cze 2011 Piwa: 366/742 Skąd: Kraków
|
Wysłany: 2025-09-13, 07:44
|
|
|
Właśnie mam rozkminke czemu w poprzednim kamperze serwis odpiął lodówkę od przetwornicy przy mon APZ a w obecnym Elkamp zostawił lodówkę w oryginalne i podczas jazdy ustawiona na automat chłodzi się z przetwornicy a dcdc ładuje lifepo4,
Podołączenie dcdc też jest innaczej w poprzednim mijało energoblok a elkampowskie przechodzi przez energoblok,
Zadałem pytanie w elkampie czy to jest ok z tą lodówką wpietą w przetwornice stwierdził elektryk że oni tak robią bo podczas jazdy najbardziej efektywne chłodzenie jest na 230V lub gaz i trzeba pamiętać by sobie przełączać na lodówce wybór zasilania przy włączonej przetwornicy.
Pytanie do elkampu moje było dla tego gdyż po odpaleniu silnika na wskaźniku przez dłuższy czas pojawiało się zamiast ładowania lifepo4 pobór z niego i chciałem wiedzieć czy to jest ok, sytuacja stabilizowala się po kilku minutach chyba dcdc już się po tym czasie namyslił że może ładować, dalej to obserwuję i rozkminiam, zresztą jedni Fachowcy z drugimi mają się wymienić pytaniami w tej sprawie.
Jak większość ma to zainstalowane? |
_________________ komplet |
|
|
|
 |
rigg
stary wyga

Twój sprzęt: Benimar Tessoro 468 NK
Pomógł: 3 razy Dołączył: 25 Lis 2014 Piwa: 26/14 Skąd: Kaszubowo
|
Wysłany: 2025-09-13, 08:35
|
|
|
| orkaaa napisał/a: | | Rigg podeślij linki. I jeszcze jedno pytanie dlaczego lodówka nie jest włączona do tej sieci ? Chodzi o jej zasilanie z przetwornicy 230 v. |
Lodówka jest odłączona bo po co ma mi ciągnąć prąd z przetwornicy na postoju, skoro na gazie może chodzić. To samo jeśli chodzi o ładowarkę, podczas postoju nie musi 220v ładować 12v. Moja lodówka bardzo dobrze chłodzi podczas jazdy więc jest ustawiona na auto i nic nie muszę przełączać. Po podpięciu do słupka wszystko co jest na 220v jest podłączone i działa jak w standarcie.
stycznik1
stycznik2
bezpiecznik nadprądowy |
|
|
|
 |
Komplecik
Kombatant
Twój sprzęt: Adriianna
Nazwa załogi: Kompleciki :)
Pomógł: 5 razy Dołączył: 13 Cze 2011 Piwa: 366/742 Skąd: Kraków
|
Wysłany: 2025-09-13, 10:16
|
|
|
| rigg napisał/a: | To samo jeśli chodzi o ładowarkę, podczas postoju nie musi 220v ładować standarcie.
|
No tak teraz zdaje się zatrybiłem, ładowanie przez energoblok podczas postoju z przetwornicy to niepotrzebne koło zrzerajace zgromadzony prąd w akumulatorze |
_________________ komplet |
|
|
|
 |
joko
Kombatant

Twój sprzęt: Rapido i96M
Pomógł: 13 razy Dołączył: 17 Cze 2013 Piwa: 545/45 Skąd: Małopolska
|
Wysłany: 2025-09-13, 10:16
|
|
|
| orkaaa napisał/a: | | dlaczego lodówka nie jest włączona do tej sieci ? |
Dotyczy to tylko lodówek 3-zasilaniowych (gaz, 12V , 230V) . Jak ktoś ma sprężarkową tylko na 12V, to podpina bezpośrednio pod aku, a jak na 230V to wiadomo że musi być na wyjście tego przełącznika źródła zasilania podłączona.
Inna sprawa, że jak na pokładzie jest sprężarka na 230V to do tego dobrą praktyką jest podłączyć małą osobną przetwornicę tylko pod lodówkę . Podłączanie lodówki pobierającej non stop parę watów pod przetwornicę kilka tysięcy wat , jest bez sensu , bo taka przetwornica pobiera na jałowym więcej prądu niż sama lodówka
Posiadanie możliwości podłączenia lodówki absorpcyjnej pod 230V z przetwornicy ma sens tylko w sytuacji kiedy np. braknie nam gazu a stoimy na dziko , ale zamiast podłączać to permanentnie czy potrzeba czy nie, lepiej jest obwód 230V lodówki podłączyć przez dodatkowy przełacznik (np. ręczny typu sieć-agregat) i wybierać sobie czy chcemy mieć to zasilanie tylko z słupka czy z przetwornicy |
| |
|
|
|
 |
orkaaa
weteran

Twój sprzęt: Chausson 627 GA
Pomógł: 11 razy Dołączył: 04 Cze 2017 Piwa: 68/2 Skąd: kielce
|
Wysłany: 2025-09-13, 16:25
|
|
|
| Dzięki . Tak myślałem że chodzi tylko o sensowne gospodarowanie energią . Lodówka u mnie absorpcyjna myślałem o kompresorowej ale wymiary nietypowe i koszt 10 tys. !!!! Pogięło ich !!! |
|
|
|
 |
AMIGO
stary wyga Banita
Twój sprzęt: Blaszany, samobieżny namiot na kołach
Dołączył: 29 Lis 2009 Piwa: 15/84 Skąd: Było kiedyś DKA

|
Wysłany: 2025-09-13, 16:53
|
|
|
| orkaaa napisał/a: | | myślałem o kompresorowej ale wymiary nietypowe i koszt 10 tys. !!!! |
Skąd się bierze taka cena? Z tego że ,,kamperowa'' ?? |
_________________ Bogdan |
|
|
|
 |
orkaaa
weteran

Twój sprzęt: Chausson 627 GA
Pomógł: 11 razy Dołączył: 04 Cze 2017 Piwa: 68/2 Skąd: kielce
|
Wysłany: 2025-09-14, 09:07
|
|
|
| Rigg rozumiem że stycznik nr 1 jest tylko do odcinania prądu do lodówki. Natomiast podstawowy stycznik który rozwiązuje problem przetrawienia - 230 słupek to stycznik nr 2. |
|
|
|
 |
rigg
stary wyga

Twój sprzęt: Benimar Tessoro 468 NK
Pomógł: 3 razy Dołączył: 25 Lis 2014 Piwa: 26/14 Skąd: Kaszubowo
|
Wysłany: 2025-09-14, 10:41
|
|
|
| orkaaa napisał/a: | | Rigg rozumiem że stycznik nr 1 jest tylko do odcinania prądu do lodówki. Natomiast podstawowy stycznik który rozwiązuje problem przetrawienia - 230 słupek to stycznik nr 2. |
Tak. Stycznik nr1 (ten mniejszy) jest tylko do odcięcia lodówki i ładowarki podczas pracy przetwornicy. |
|
|
|
 |
joko
Kombatant

Twój sprzęt: Rapido i96M
Pomógł: 13 razy Dołączył: 17 Cze 2013 Piwa: 545/45 Skąd: Małopolska
|
Wysłany: 2025-09-14, 12:09
|
|
|
Rigg, tak z czystej ciekawości , po co ten drugi stycznik do odłączania ładowarki i lodówki ?
Skoro to ma działać tak jak piszesz , że lodówka i ładowarka mają mieć 230V tylko ze słupka, a wszystkie gniazdka i inne odbiorniki i ze słupka i z przetwornicy, to wystarczyło lodówkę i ładowarkę wpiąć przed przełącznik źródła i wszystko działało by jak trzeba.
Druga sprawa czemu jako przełącznik źródła użyłeś zwykłego przekaźnika ?
Do tego celu są dedykowane przełączniki, które przełączają szybciej i beziskrowo.
Tu przykładowy przełącznik źródła , który jest idealny do kampera :
https://allegro.pl/produkt/przelacznik-priorytetowy-priority-switch-nds-3de46c6f-6218-41b5-a46f-90205f8b1f0b?srsltid=AfmBOopGjzTLUYs--XmMBU0sRtqveF5X5G-yJsP1YezuXHpuSXKrr4iO&offerId=17618417875
Do IN podpinasz słupek , do OUT lodówkę i ładowarkę, do OUTPUT gniazdka i odbiorniki które mają mieć zasilanie i ze słupka i z przetwornicy , a do INVERTER wpinasz przetwornicę i temat ogarniety prosto, bezpiecznie i bez plątaniny kabli.
Jeśli trzeba na szynę bezpiecznikową to np. taki :
https://allegro.pl/oferta/automatyczny-mini-przelacznik-zasilania-ats-2p-fotowoltaika-siec-1-faz-63a-17763200405
Albo taki :
https://allegro.pl/oferta/automatyczny-przelacznik-zasilania-ats-63a-3ph-220v-17862270669
Jest tego zatrzęsienie na rynku w różnych cenach, ale na pewno każdy lepszy od zwykłego iskrzącego hebla
Gdybym nie miał ATS'a wbudowanego w inwerter i gdybym dzisiaj miał taką instalację robić, to kupił bym dwa takie : https://allegro.pl/oferta/automatyczny-mini-przelacznik-zasilania-ats-2p-fotowoltaika-siec-1-faz-63a-17763200405
i jednego użył jako właściwy przełacznik źródła (ustawiony w trybie AUTO) , a drugiego w trybie MANUAL użył do obwodu lodówki , aby mieć jednak możliwość podłączania jej do przetwornicy w sytuacjach szczególnych lub awaryjnych (np. brak gazu, uszkodzenie układu zasilania gazem, chęć zasilania lodówki z 230V w czasie jazdy itp.)
Obwód ładowarki w każdym przypadku musi być tylko ze słupka, bo zasilanie jej z przetwornicy podłączonej do akumulatora , który ma ładować to zapętlenie układu i nieudolna próba stworzenia perpetum mobile |
| |
|
|
|
 |
|
|