|
Sprawdzenie schematu wymiana AGM na Lifepo4 |
| Autor |
Wiadomość |
rromanski5
początkujący forumowicz
Twój sprzęt: Citroen Jumper 2005 2.8hdi Posll 2win
Dołączył: 21 Sie 2025 Skąd: Łódź
|
Wysłany: 2026-01-18, 17:08 Sprawdzenie schematu wymiana AGM na Lifepo4
|
|
|
Witam. Chciałem zapytać o radę. Czy ktoś może sprawdzić schemat czy będzie ok jak tak wszystko podłączę?
Nie do końca wiem jak podłączyć Orion dc dc 50a przez busbar do ebl99 aby działała lodówką absorbcyjna podczas jazdy.
Chciałbym też zachować ładowania ze słupka 230v przez zewnętrzna ładowała ac-dc.
Proszę o pomoc
Samochód to citroen Jumper 2005 rok 2.8 hdi
Victron schemat.png
|
 |
| Plik ściągnięto 21 raz(y) 292,33 KB |
|
|
|
|
 |
Świstak
Kombatant

Twój sprzęt: Milka, Milka2
Nazwa załogi: Świstaki
Pomógł: 15 razy Dołączył: 05 Cze 2009 Piwa: 534/111 Skąd: Legnica
|
Wysłany: 2026-01-18, 17:20
|
|
|
| Na pierwszy rzut oka jest OK, choć diabeł może tkwić w szczegółach. Szczególnie energobloku. |
_________________ .
.
"Panie, pomóż mi być takim człowiekiem, za jakiego uważa mnie mój pies"
Milka - może ją spotkacie?
 |
|
|
|
 |
rromanski5
początkujący forumowicz
Twój sprzęt: Citroen Jumper 2005 2.8hdi Posll 2win
Dołączył: 21 Sie 2025 Skąd: Łódź
|
Wysłany: 2026-01-18, 18:05
|
|
|
| Świstak napisał/a: | | Na pierwszy rzut oka jest OK, choć diabeł może tkwić w szczegółach. Szczególnie energobloku. |
A jak podłączyć oriona żeby lodówka dostała sygnał d+ i zadziałała podczas odpalonego silnik? |
|
|
|
 |
Świstak
Kombatant

Twój sprzęt: Milka, Milka2
Nazwa załogi: Świstaki
Pomógł: 15 razy Dołączył: 05 Cze 2009 Piwa: 534/111 Skąd: Legnica
|
Wysłany: 2026-01-18, 18:12
|
|
|
| I to są właśnie te szczegóły. Nie zaznaczyłeś czy energoblok wymaga takiego sygnału czy może ma detekcję napięcia. Czy to istniejąca instalacja gdzie producent już pociągnął ten sygnał czy może nowo budowana.... Chcesz szczegółów - podaj szczegóły. |
_________________ .
.
"Panie, pomóż mi być takim człowiekiem, za jakiego uważa mnie mój pies"
Milka - może ją spotkacie?
 |
| |
|
|
|
 |
rromanski5
początkujący forumowicz
Twój sprzęt: Citroen Jumper 2005 2.8hdi Posll 2win
Dołączył: 21 Sie 2025 Skąd: Łódź
|
Wysłany: 2026-01-18, 18:33
|
|
|
| Świstak napisał/a: | | I to są właśnie te szczegóły. Nie zaznaczyłeś czy energoblok wymaga takiego sygnału czy może ma detekcję napięcia. Czy to istniejąca instalacja gdzie producent już pociągnął ten sygnał czy może nowo budowana.... Chcesz szczegółów - podaj szczegóły. |
To jest nowo budowana instalacja. Stara instalacja jest pod agm ale chyba sygnał d+ już jest skoro działa lodówka na 12 tylko podczas jazdy. Muszę przebudować instalacja bo stara jest pod agm a ja chce zastosować Lifepo4. |
|
|
|
 |
rromanski5
początkujący forumowicz
Twój sprzęt: Citroen Jumper 2005 2.8hdi Posll 2win
Dołączył: 21 Sie 2025 Skąd: Łódź
|
Wysłany: 2026-01-18, 20:00 Re: Sprawdzenie schematu wymiana AGM na Lifepo4
|
|
|
| Nie jest to tak że wyjscie remote z oriona xs musi isc do ktoregos pinu w ebl99? Blok 1 pin 3? |
|
|
|
 |
przemo.d
stary wyga
Twój sprzęt: FORD 2.0 CI
Nazwa załogi: Przemo.D
Pomógł: 2 razy Dołączył: 18 Gru 2011 Piwa: 31/148 Skąd: Piaseczno

|
Wysłany: 2026-01-18, 21:19 Re: Sprawdzenie schematu wymiana AGM na Lifepo4
|
|
|
| rromanski5 napisał/a: | | Nie jest to tak że wyjscie remote z oriona xs musi isc do ktoregos pinu w ebl99? Blok 1 pin 3? |
Wysil się I poczytaj instrukcje urządzenia w pierwszym kroku zanim zadasz pytanie ......
Remote to rodzaj EPO /Emergency Power Off/ to bardziej wyłącznik bezpieczeństwa urządzenia
Najważniejszym pytaniem jest czy Twój elektroblok łączy obie baterie po uruchomieniu silnika ?
Jeśli tak to musisz to rozłączyć.
I sam sobie na to odpowiedz bo nie spodziewasz się, że mamy tu szklaną kule |
| |
|
|
|
 |
rromanski5
początkujący forumowicz
Twój sprzęt: Citroen Jumper 2005 2.8hdi Posll 2win
Dołączył: 21 Sie 2025 Skąd: Łódź
|
Wysłany: 2026-01-19, 06:52 Re: Sprawdzenie schematu wymiana AGM na Lifepo4
|
|
|
| przemo.d napisał/a: | | rromanski5 napisał/a: | | Nie jest to tak że wyjscie remote z oriona xs musi isc do ktoregos pinu w ebl99? Blok 1 pin 3? |
Wysil się I poczytaj instrukcje urządzenia w pierwszym kroku zanim zadasz pytanie ......
Remote to rodzaj EPO /Emergency Power Off/ to bardziej wyłącznik bezpieczeństwa urządzenia
Najważniejszym pytaniem jest czy Twój elektroblok łączy obie baterie po uruchomieniu silnika ?
Jeśli tak to musisz to rozłączyć.
I sam sobie na to odpowiedz bo nie spodziewasz się, że mamy tu szklaną kule |
Tak łaczy obydwie baterie. Tą opcję omijam wylaczajac kabel starter battery. Nie moge podlaczyc oriona bezposrednio na energobloku bo ma 50a i go spali. Enegoblok traktuje ja skrzynkę bezpieczników. Ale co dalej? |
|
|
|
 |
Świstak
Kombatant

Twój sprzęt: Milka, Milka2
Nazwa załogi: Świstaki
Pomógł: 15 razy Dołączył: 05 Cze 2009 Piwa: 534/111 Skąd: Legnica
|
Wysłany: 2026-01-19, 09:24
|
|
|
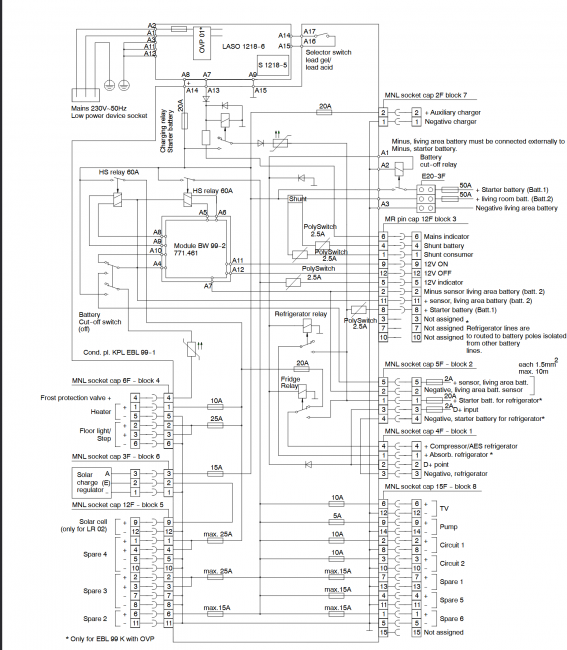
Spędziłem trochę czasu na poczytanie instrukcji EBL 99. Jeżeli faktycznie lodówka włącza się w czasie jazdy, to znaczy że masz sygnał D+, a instalacja nie jest nowobudowana lecz modernizowana. Zgodnie z przedstawionym przez Ciebie schematem niewiele więcej trzeba robić - najprościej wyjąć bezpiecznik Batt1 50A od akumulatora rozruchowego (z instrukcji wynika że jest zamontowany poza energoblokiem) - łatwiej to zrobić niż likwidować połączenie między energoblokiem a akumulatorem rozruchowym, choć też nie jest to tragedia - złącze E-20 do którego podłączone są plusy obu akumulatorów i masa znajduje się z tyłu obudowy (strona 12 instrukcji na dole). Obwód spinający akumulatory poda zasilanie od strony akumulatora nadwoziowego i lodówka będzie pobierać energie w czasie jazdy poprzez Oriona. "Zafałszuje" to wskazania Oriona bo będzie pokazywał nie tylko prąd płynący do aku nadwoziowego ale również do lodówki, ale jednocześnie zabezpieczy też alternator przed przeciążeniem. Co do konfiguracji Oriona - przykro mi bardzo, ale konfiguracja daje tak wiele możliwości, że przejrzenia instrukcji nie unikniesz - musisz sam ustalić limity prądów i zakres napięć przełączających.
Zaznaczam że to dotyczy tylko schematu który zamieściłeś czyli wykonanej dodatkowo instalacji dla Oriona!!! Popraw też proszę schemat który zamieściłeś, bo jeśli ktoś pójdzie Twoim śladem to podłączy Trumatica i pompę wody pod wejście 230V energobloku, a to raczej nie zadziała...
Zamieszczam schemat energobloku.
Screenshot 2026-01-19 at 09-22-15 811_419_EBL99K_EBL99K_OVP_BA_EN_20_01_2010 - Electrobloc-EBL99K.pdf.png
|
 |
| Plik ściągnięto 5 raz(y) 242,09 KB |
|
_________________ .
.
"Panie, pomóż mi być takim człowiekiem, za jakiego uważa mnie mój pies"
Milka - może ją spotkacie?
 |
| |
|
|
|
 |
|
|
Nie możesz pisać nowych tematów Nie możesz odpowiadać w tematach Nie możesz zmieniać swoich postów Nie możesz usuwać swoich postów Nie możesz głosować w ankietach Nie możesz załączać plików na tym forum Możesz ściągać załączniki na tym forum
|
Dodaj temat do ulubionych Wersja do druku
|