Klub miłośników turystyki kamperowej - CamperTeam

Nadwozia kempingowe i zabudowy - Instalacja drugiego akumulatora AGM oraz ładowanie go....

alieno - 2015-03-29, 17:38
Temat postu: Instalacja drugiego akumulatora AGM oraz ładowanie go....
Witam wszystkich.

Zakupiłem Vivaro około miesiąca temu z zamiarem przeróbki na kampera. Pomysł jest wynikiem znudzenia jednodniowymi wyjazdami w okolice mojego obecnego zamieszkania, północna Walia. Jest tu naprawdę co zwiedzać, zdecydowanie polecam lecz jak masz coś na wyciagniecie dłoni przestajesz to doceniać i chcesz więcej. Przyszła pora na Szkocje, Cornwalie a to już eskapady co najmniej na 3dni. Tak narodził się pomysł zakupu Vana.
Zakupiłem typowego krótkiego dostawczaka, wstawiłem dwa okna i na chwilę obecną pogłębiam wiedzę a jest co bo jestem laikiem i w mechanice samochodowej oraz w elektryce ogólnej. :wyszczerzony:
Wydaję się że już większość wiem przynajmniej w teorii.

Moje pytanie do bardziej zaawansowanych posiadaczy i nie tylko. Czy jak zakupię Exide EP2100 AGM Dual Purpose 12V 240Ah to będę mógł doładowywać go poprzez system solarów oraz alternator. Chodzi mi o podłączenie równocześnie solara 100w oraz alternatora do regulatora ładowania który bedzie podłączony do akumulatora. Jężeli to możliwe to może wiecie jaki regulator? 2gie pytanie czy do tego wszystkiego jeszcze mógł bym ładować ten sam akumulator z 230v jak bym zatrzymał sie na kamperparku.

Sorry za przynudzanie... :-P
Będę wdzięczny za wszystkie uwagi, schematy, linki itd...

Skorpion - 2015-03-29, 17:47

:spoko Witam witam :spoko :bigok :bigok
grzegorzalex - 2015-03-29, 17:54

Witam
Będziesz mógł lądować solarem i alternatorem. Po zastosowaniu ładowarki na 230 będziesz mógł lądować na kempingach.
Uważam ze solar o mocy 100 W, to trochę za słaby do akumulatora o mocy 240 Ah oczywiście ten solar będzie ładował, ale naładowanie na ful, zajmie mu sporo czasu. :spoko

Banan - 2015-03-29, 17:59

Cześć
Do pełni szczęścia potrzebujesz coś takiego - zwane elektroblokiem(energoblokiem w zależności od źródła)
http://allegro.pl/elektro...5202157576.html
Sprzedawca jest naszym forumowym kolegą i możesz śmiało dzwonić, pomoże :ok
Musisz oczywiście dopasować to do pojemności akumulatora.
:spoko

koder - 2015-03-29, 19:56

Banan napisał/a:
Do pełni szczęścia potrzebujesz coś takiego - zwane elektroblokiem(energoblokiem w zależności od źródła)

Nie mogę się doczytać, co ten konkretny energoblok zawiera. Masz jakieś informacje? Widzę sondy wody szarej i białej, bezpieczniki, pomiar napięcia akumulatorów. Poza tym co jest? Podłączenie alternatora, prostownik, przetwornica, regulator? Brakuje mi podstawowych parametrów (zawartych komponentów, mocy przetwornicy i prostownika, technologii regulatora), żeby się merytorycznie wypowiedzieć :/

Banan - 2015-03-29, 20:07

koder napisał/a:
Podłączenie alternatora, prostownik, przetwornica, regulator? Brakuje mi podstawowych parametrów (zawartych komponentów, mocy przetwornicy i prostownika, technologii regulatora), żeby się merytorycznie wypowiedzieć :/

Energoblok chyba do tego służy 8-)
Jak widać na załączonym obrazku model PC 100 - jak nie trudno wywnioskować, model do akumulatorów do 100Ah.
Są jeszcze modele PC 200 i PC 220 do większych akumulatorów.
Mogę się mylić, ale podany jest telefon do wsparcia technicznego.
:spoko

grzegorzalex - 2015-03-29, 20:14

Ja mam zainstalowany dokładnie ten zestaw jest wszystko, co potrzeba.
Nie słyszałem takiej informacji, aby był tylko do 100 Ah akumulatora

grzegorzalex - 2015-03-29, 20:17

Banan napisał/a:
koder napisał/a:
Podłączenie alternatora, prostownik, przetwornica, regulator? Brakuje mi podstawowych parametrów (zawartych komponentów, mocy przetwornicy i prostownika, technologii regulatora), żeby się merytorycznie wypowiedzieć :/

Energoblok chyba do tego służy 8-)
Jak widać na załączonym obrazku model PC 100 - jak nie trudno wywnioskować, model do akumulatorów do 100Ah.
Są jeszcze modele PC 200 i PC 220 do większych akumulatorów.
Mogę się mylić, ale podany jest telefon do wsparcia technicznego.
:spoko

Energloblok jest taki sam PC 200 i PC 220 z tego co wiem, to różnią się tylko panelem sterowania i oczywiście cena.
Sam teraz zmieniam na Panel PC 320, to jest najnowszy
http://www.cbe.it/en/node/871

Banan - 2015-03-29, 20:33

Może i Grzesiu masz rację - strona 13 i 14 w instrukcji:
http://www.cbe.it/pro/catalogo?lang=en

koder - 2015-03-29, 20:34

Tak patrzę na tego PC100 i trochę mi tu brakuje funkcji, których oczekiwałbym od energobloku. Z tego co widzę, to zawiera (za stroną producenta):
  • tester poziomu akumulatorów (dwóch)
  • czujnik poziomu wody białej (w energobloku?)
  • przełączniki od świateł, pompy wody, oświetlenia zewnętrznego, lodówki
  • przekaźnik do łączenia baterii (do ładowania z alternatora)
  • skrzynkę bezpieczników
  • zabezpieczenie przed nadmiernym rozładowaniem akumulatora
  • prostownik 10A (150W)
  • bezpieczniki
Brakuje mi w tym przetwornicy i całego układu obsługi 230V przy podpięciu do "słupka". Brak regulatora jest w zasadzie normą.

Banan - 2015-03-29, 20:44

koder napisał/a:
Brakuje mi w tym przetwornicy i całego układu obsługi 230V przy podpięciu do "słupka". Brak regulatora jest w zasadzie normą.

Można mieć nadzieję, że to zostało pominięte ze względu na oczywistą oczywistość funkcjonalności 230V :mrgreen:
Duni będzie wiedział na 100% :spoko

koder - 2015-03-29, 21:16

No więc dobrze, wróćmy do kontekstu pytania:
alieno napisał/a:
Czy jak zakupię Exide EP2100 AGM Dual Purpose 12V 240Ah to będę mógł doładowywać go poprzez system solarów oraz alternator. Chodzi mi o podłączenie równocześnie solara 100w oraz alternatora do regulatora ładowania który bedzie podłączony do akumulatora. Jężeli to możliwe to może wiecie jaki regulator? 2gie pytanie czy do tego wszystkiego jeszcze mógł bym ładować ten sam akumulator z 230v jak bym zatrzymał sie na kamperparku.

Żeby zapewnić te funkcje, konieczne są następujące komponenty:
1) Regulator ładowania (MPPT lub PVM, o mocy dobranej do rodzaju paneli) - do ładowania akumulatorów z panela słonecznego. Koszt od 100 do 800zł.
2) Prostownik - do ładowania przy dostępności 230V. Moc należy dobrać do pojemności akumulatora. Cena ~130zł/10A.
3) Separator akumulatorów, czyli przekaźnik - do ładowania akumulatora z alternatora. ~30zł za 12V/100A,
3a) plus ew. 30zł za opornicę ograniczającą prąd, do zapewnienia komfortowych warunków ładowania AGM.
4) Przetwornica 12V/230V nie była zakładana w pytaniu, ale często jest pożądana - urządzenie udostępniające prąd 230V gdy nie jesteśmy nigdzie podpięci. Ceny od 100 do 800zł w zależności od jakości i mocy.
5) Automatyka przełączania 230V, gdy dostępne jest napięcie z sieci - czyli następny przekaźnik, ~10zł.

Energoblok, o którym Banan wspomina to zintegrowane 2+3 (w/g instrukcji producenta, choć nie jestem przekonany, czy akurat w tej aukcji zawiera 3), z kilkoma dodatkowymi czujnikami. Fajne, ale ja bym tyle nie dał za sprzęt, który można za 300zł skompletować. Ja przygotowując taką instalację zastanawiałbym się raczej nad Volt sinusPRO-1000S, który za cenę 700zł zawiera 1+2+4+5, i do tego dołożyć własny separator akumulatorów (przekaźnik z opornicą) za te ~60zł.

Ja w smoczycy mam AGM ładowany z alternatora i z solara i instalacja kosztowała ~150zł - ale dużo mniejszy, bez przetwornicy i bez szczególnej automatyki. Opcji do wykorzystania jest bardzo dużo.

Alieno - rozwiń, czy czujesz się na siłach zrobić samemu instalację (na forum są co najmniej 2 szczegółowe opisy), czy tez może oczekujesz gotowca? Jeśli ustalisz jakiś budżet, to też łatwiej będzie rzucać sugestie - co innego można zrobić za 5000zł, co innego za 500 - ale w obu budżetach można znaleźć instalację, która odpowiada na pytanie, którym zacząłeś wątek.

grzegorzalex - 2015-03-29, 21:16

Wszystko co związane z siecią 230 V jest energoblok jest informowany, ze jest zasilany 230 V
Nie potrzeba nic więcej ten zestaw ma wszystko, co potrzebne do zarządzania każdym napięciem (230,12 V)

grzegorzalex - 2015-03-29, 21:24

koder napisał/a:
No więc dobrze, wróćmy do kontekstu pytania:
alieno napisał/a:
Czy jak zakupię Exide EP2100 AGM Dual Purpose 12V 240Ah to będę mógł doładowywać go poprzez system solarów oraz alternator. Chodzi mi o podłączenie równocześnie solara 100w oraz alternatora do regulatora ładowania który bedzie podłączony do akumulatora. Jężeli to możliwe to może wiecie jaki regulator? 2gie pytanie czy do tego wszystkiego jeszcze mógł bym ładować ten sam akumulator z 230v jak bym zatrzymał sie na kamperparku.

Żeby zapewnić te funkcje, konieczne są następujące komponenty:
1) Regulator ładowania (MPPT lub PVM, o mocy dobranej do rodzaju paneli) - do ładowania akumulatorów z panela słonecznego. Koszt od 100 do 800zł.
2) Prostownik - do ładowania przy dostępności 230V. Moc należy dobrać do pojemności akumulatora. Cena ~130zł/10A.
3) Separator akumulatorów, czyli przekaźnik - do ładowania akumulatora z alternatora. ~30zł za 12V/100A,
3a) plus ew. 30zł za opornicę ograniczającą prąd, do zapewnienia komfortowych warunków ładowania AGM.
4) Przetwornica 12V/230V nie była zakładana w pytaniu, ale często jest pożądana - urządzenie udostępniające prąd 230V gdy nie jesteśmy nigdzie podpięci. Ceny od 100 do 800zł w zależności od jakości i mocy.
5) Automatyka przełączania 230V, gdy dostępne jest napięcie z sieci - czyli następny przekaźnik, ~10zł.

Energoblok, o którym Banan wspomina to zintegrowane 2+3 (w/g instrukcji producenta, choć nie jestem przekonany, czy akurat w tej aukcji zawiera 3), z kilkoma dodatkowymi czujnikami. Fajne, ale ja bym tyle nie dał za sprzęt, który można za 300zł skompletować. Ja przygotowując taką instalację zastanawiałbym się raczej nad Volt sinusPRO-1000S, który za cenę 700zł zawiera 1+2+4+5, i do tego dołożyć własny separator akumulatorów (przekaźnik z opornicą) za te ~60zł.

Ja w smoczycy mam AGM ładowany z alternatora i z solara i instalacja kosztowała ~150zł - ale dużo mniejszy, bez przetwornicy i bez szczególnej automatyki. Opcji do wykorzystania jest bardzo dużo.

Alieno - rozwiń, czy czujesz się na siłach zrobić samemu instalację (na forum są co najmniej 2 szczegółowe opisy), czy tez może oczekujesz gotowca? Jeśli ustalisz jakiś budżet, to też łatwiej będzie rzucać sugestie - co innego można zrobić za 5000zł, co innego za 500 - ale w obu budżetach można znaleźć instalację, która odpowiada na pytanie, którym zacząłeś wątek.

Ja nie potrafię zrobić takiego zestawu co, by zarządzał instalacją elektryczną i pewnie wielu na tym forum wiec są zmuszeni do zakupu takich zestawów

koder - 2015-03-29, 21:35

grzegorzalex napisał/a:
Ja nie potrafię zrobić takiego zestawu co, by zarządzał instalacją elektryczną i pewnie wielu na tym forum wiec są zmuszeni do zakupu takich zestawów

Kodi też nie umiał, ale z pomocą kolegów z forum zrobił (temat enegobloku zaczyna się tutaj). Ale oczywiście rozumiem, jak ktoś woli po prostu kupić.

Dla jasności, załączam schemat ideowy tego PC-100.

grzegorzalex - 2015-03-29, 21:48

Tak to wygląda u mnie. Jeśli ktoś będzie potrzebował pomocy z omawianym energloblokiem pisać
toscaner - 2015-03-29, 22:08

Czy mylę się, że to co kosztuje 999zł jest tylko tym co widzimy w żółtej ramce?

Reszta poza ramką to regulator, przetwornica, ładowarka, własna skrzynka z bezpiecznikami na 230V, własne puszki 12V i 230V.
Zakładam, że to co poza ramką niestety trzeba zakupić osobno?

Czyli cały energoblok PC100 (cena 999zł) wg schematu załączonego przez kodera to kilka kabli, bezpieczników, pręty sondy i co najważniejsze ma obudowę i ładny plastikowy panelik z wmontowanymi diodami. Cy coś pominąłem?
Koszt wykonania takiego "energobloku" około 50-100zł. Z czego najdroższa będzie miedź w kablach i ... ładna obudowa. :mrgreen:
Pomijam naklejkę "for camper".
Kosztu bez obudowy, nie chcę nawet podawać, żeby niektórzy zawału nie dostali.

No chyba, że jest inaczej, to proszę o szczegóły.

grzegorzalex - 2015-03-29, 22:13

toscaner napisał/a:
Czy mylę się, że to co kosztuje 999zł jest tylko tym co widzimy w żółtej ramce?

Reszta poza ramką to regulator, przetwornica, ładowarka, własna skrzynka z bezpiecznikami na 230V, własne puszki 12V i 230V.
Zakładam, że to co poza ramką niestety trzeba zakupić osobno?

Czyli cały energoblok PC100 (cena 999zł) wg schematu załączonego przez kodera to kilka kabli, bezpieczników, pręty sondy i co najważniejsze ma obudowę i ładny plastikowy panelik z wmontowanymi diodami. Cy coś pominąłem?
Koszt wykonania takiego "energobloku" około 50-100zł. Z czego najdroższa będzie miedź w kablach i ... ładna obudowa. :mrgreen:
Pomijam naklejkę "for camper".
Kosztu bez obudowy, nie chcę nawet podawać, żeby niektórzy zawału nie dostali.

No chyba, że jest inaczej, to proszę o szczegóły.

Jest tak jak piszesz

toscaner - 2015-03-29, 22:42

Ja polecam jeśli budujesz kampera sam, to energoblok zbudować też samemu. Jeśli nie znasz się dobrze na elektryce, to na forum Ci koledzy wyjaśnią. Już kolega Koder podał link zdaje się do budowy Kodi'ego.
Ja u mnie zaprojektowałem i zbudowałem sam całą elektrykę od zera. To jest wbrew pozorom prosta rzecz.

Donat - 2015-03-30, 07:29

Toscaner - jak dojdę do etapu elektrycznego mojej odbudowy to na pewno będę Tobie, Koderowi, Świstakowi i jeszcze paru osobom truł nabiał w sprawie budowy "elektrowni" kampiórkowej. Elektryka to mój baaardzo słaby punkt.
alieno - 2015-03-30, 09:25

Witam ponownie
Właśnie wróciłem z nocki, 6 rano odpalam laptopa z nadzieją że może ktoś znalazł czas na wystukanie mi parę przydatnych informacji, a tu 18 postów.
Dzięki wielkie.
Postaram się może jeszcze raz dokładniej opisać o co mi chodzi.
Gdy przeszukiwałem neta w poszukiwaniu odpowiedzi jakie aku kupić, wszędzie piszą że musi być żelowy, bardziej trwały, nie wydziela oparów itd. Gdy już wybrałem aku okazuję się że te żelowe są bardziej wrażliwe na skoki napięcia przy ładowaniu. Nastepnie wyczytałem że przy ładowaniu z solarów lub z 230v przez odpowiednią przetwornicę to nie problem to nigdzie nie mogłem znaleźć info o tym jak ładować przez alternator. Wiec, rozpocząłem poszukiwania i na jednym forum ktoś napisał żeby ładować używając regulatora z solarów, stąd pomysł podłączenia alternatora razem z solarem do tego regulatora i niby bardziej zaawansowane regulatory ładowania udostępniają dodatkowe kanały do sterowania odbiornikami dzięki czemu zyskujemy również kontrolę nad poborem energii z akumulatora. Regulator odetnie odbiornik gdy akumulator będzie bliski rozładowaniu.

Rys na dole
Coś takiego powstało w mojej głowie :-P , Czy to ma prawo bytu czy nie bardzo?
Wiem że 100w solar panel to jest za mało by naładować 240ah wiec stąd pomysł z alternatorem, raczej nie przewidywałbym postojów w jednym miejscu dłużej niż 2 doby, więc alternator miał wspomagać solara. Przy planowaniu chcę zostawić sobie możliwość rozbudowy całej elektryki np. o dodatkowy panel, potrzebuję też pomyśleć o klimie postojowej w przyszłości gdyż bede podróżował z psem który czasami bedzie musiał zostać w vanie. Na pewno nie będę wstawiał kabiny prysznicowej, za mało miejsca. Jedynie mały zlew i palnik gazowy, jeszcze nie wiem co z ogrzewaniem postojowym.

Zaczynam od elektryki gdyż jeszcze go nie ociepliłem wiec jest czas na okablowanie. sorry za ten słowotok ale po noce główka trochę ciężej pracuje.

p.s zaraz jak wstanę przejrzę dokładnie jak to wyglądało u kodiego.
dzięki jeszcze raz wszystkim

koder - 2015-03-30, 09:48

alieno napisał/a:
Wiec, rozpocząłem poszukiwania i na jednym forum ktoś napisał żeby ładować używając regulatora z solarów

Mam wrażenie, że ja :-)

U Kodiego znajdziesz też taką propozycję, tutaj wątek mój, gdzie do ładowania przez alternator wykorzystałem regulator ładowania: Regulator ładowania jako ekonomiczny "energoblok".

Odnośnie załączonego przez Ciebie rysunku:

1) Tylko bardzo mała przetwornica pójdzie przez regulator, one zwykle biorą o wiele więcej prądu. Mają za to zwykle zabezpieczenia (trzeba sprawdzić) więc można podpiąć bezpośrednio pod akumulator.
2) Jednym dodatkowym przekaźnikiem zrobisz połączenie zewnętrznego 230V zamiast przetwornicy.
3) Wspomniany przeze mnie Volt sinusPro 1000S załatwia w tym układzie regulator+przetwornica+ładowarka+przełączanie 230V. Jeśli przetwornica 750/1000W jest dla Ciebie wystarczająca, to szedłbym w tą stronę.
4) Między separator a regulator przyda się opornica, żeby przypadkiem regulatora nie przegrzać.

Oprócz tego - koledzy z powodzeniem stosują akumulatory rozruchowe odpowiedniej pojemności w zabudowie. Pomyśl nad większym (lub dwoma) solarem do 240AH akumulatora, zakres 200-250W wydaje się dobrym pomysłem.

alieno - 2015-03-30, 18:28

Dzieki koder.

Wygooglowałem to Volt sinusPro 1000S, obejrzałem filmiki, poczytałem, wydaje się być sensownym zakupem. Mam tylko kilka pytań..jeśli można
1) Co do mocy tej przetwornicy 750/1000w to rozumiem że kobitka rano włosy będzie musiała suszyć naturalnie :wyszczerzony: jeżeli nie będę miał dostępu do 230v z zewnątrz?
2)Czy to urządzenie będzie ładować mi ten aku żelowy co planuje zakupić w miarę wydajnie o ile jest to dobre słowo, znaczy czy nie skrócę żywotności tego aku. Czytałem że ładowarki posiłkują się nawet temperaturą w wyborze mocy ładowania?
3)Jestem też w trakcje czytania tego jak kodi zaczynał elektrykę i naszła mnie myśl że może ja zaczynam trochę tak od D... strony znaczy może pierw kupić jedynie okablowanie. Zrobić całe wnętrze, podłączyć wszystkie odbiorniki a wszystkie kable pociągnąć do jednego miejsca. Czy to wszystko będzie można umiejscowić w jednym miejscu? Znaczy: Separator, skrzynki bezpieczników, przetwornica, regulator lub ten Volt sinusPro 1000S. Czy tak nie będzie łatwiej i mi wam w podpowiadaniu mi co zrobić :wyszczerzony: .
4)Jeżeli uważacie że tak na 3 pytanie, to jaka gróbość kabli żeby było bezpiecznie. Będę chciał mieć 2 gniazdka 230v może jedno wejście na zapalniczkę oraz oświetlenie ledowe. Nie doszedłem jeszcze do momentu instalacji lodówki i pompki na gaz oraz w przyszłości ogrzewania gazowego ale podejrzewam że to wszystko to 12v zazwyczaj? Klimatyzator dachowy jak bym kiedyś chciał zrobić to 230v, tak?
Dzieki

Bronek - 2015-03-30, 18:38

suszareczka raczej taka delikatna m/w do 650wat Trudno kupić
toscaner - 2015-03-30, 20:00

Albo zwykła domowa z dwoma biegami. :)
Moja M. ma taką 1200W na II, a na I jest 600W. Taką ma jeszcze sprzed kampera, więc została. Na małej przetwornicy daje radę tylko I, ale na dużej lata na obu biegach.
Przetwornica koniecznie pełny sinus.
Musisz odczytać moc z nalepki na suszarce i od razu będzie wszystko wiadomo.

alieno - 2015-04-01, 15:45

Witam wszystkich.
Jestem w trakcje czytania tematu Kodiego, dokładnie- podłączenie elektryki. Nie mam wiele czasu i doszedłem dopiero do chwili kiedy na jego rysunku załącza solary. Możecie mi wytłumaczyć czy ta instalacja musi być taka skomplikowana, pytam bo znalazłem taki schemat co prawda bez solarów ale to chyba nie problem zamiast ładowarki dałbym przetwornice tą co polecił Koder Volt sinusPro 1000S miedzy nią a solarami dałbym diodę. Jedynie nie wiem czy w wypadku zastosowania tego sinusPro nadal bedzie mi potrzebny ten split charge unit.????? W każdym razie wygłada to o niebo prościej niż to co wygenerował Kodi z opowieści Świstaka :shock:


Myślałem że po przeczytaniu tematu Kodiego będę wiedział więcej a tylko głowa mnie rozbolała.
Może w dalszej części jakoś to się wszystko wyklaruje ale na tym etapie co jestem to widać że i Kodiemu już też się wszystko zaczyna mieszać :wyszczerzony: . Prawie jak serial telewizyjny.
Dobrze że nie mam aż takiego problemu przy całej reszcie planowania budowy kampera bo chyba bym się szybciej zniechęcił niż myślałem.

alieno - 2015-04-01, 17:50

Przerobiłem ten schemat na swoje potrzeby.
Czy to jest prawidłowe podłączenie, nie spale kampera jak tak podłącze????

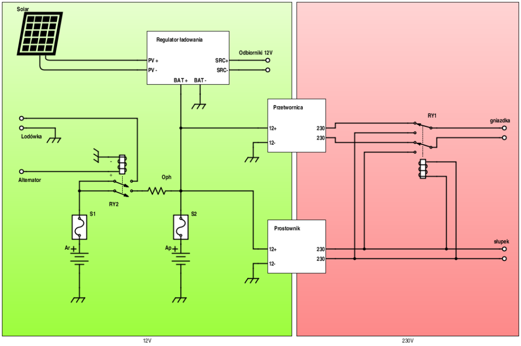
koder - 2015-04-01, 19:06

Nie, jeszcze prościej. Schemat powinien wyglądać jakoś tak:


Gdzie:

Alternator - sterowanie z alternatora
Oph - (opcjonalna) opornica halogenowa (ogranicza prąd ładowania z alternatora)
S1, S2 - bezpieczniki, żeby w razie czego nie spaliło Ci się auto
Ar - akumulator rozruchowy
Ap - akumulator pokładowy
RY1 - przekaźnik 12V/100A

:kawka:

Narysowałem ten schemat, patrzę tak na niego - i brakuje mi podłączenia z 12V z zabezpieczeniem. Postaram się doczytać, czy z Volta jest takie wyjście (zwykle regulatory go mają), ale jeśli nie, to będzie potrzebne dodatkowe urządzenie, za ~100zł, które się po prostu podłącza pod akumulator pokładowy.

alieno - 2015-04-01, 20:32

Dzieki Koder, schemat wygląda mega przejrzyście. Bezpieczniki zapomniałem dodać do rys. ale wiem że trzeba z rys. Kodiego. Doczytałem do końca cały temat i w końcu trochę mnie olśniło, choć wolałbym właśnie zrobić coś takiego co mi naszkicowałeś. Niestety chyba nie ma ten Volt żadnego wyjścia na 12v było by za pięknie :( . Jak znajdziesz czas to wystukaj proszę o jakie urządzenie Ci chodziło i gdzie go umiejscowić.
Jeszcze tylko jedna sprawa możesz sprawdzić czy to :
http://www.ebay.co.uk/itm...K%3AMEBIDX%3AIT
wystarczy mi do podłączenia 240 i czy będzie również bezpiecznie jak z tą różnicówką ze schematu Kodiego.
Dzieki

koder - 2015-04-01, 20:37

Okay, a jakie obciążenie 12V potrzebujesz? Innymi słowy - co tam będzie podłączone?
alieno - 2015-04-01, 23:30

Właściwie to tylko z 2 ledy i lodówka, pompka do kranu. W przyszłości może webasto. Czyli tylko lodówka, tak naprawdę bedzie ciągła prąd z 12v. Może jednak zamiast tego volta jakiś dobry regulator i zwykły prostownik.
koder - 2015-04-01, 23:50

Lodówka - masz na myśli kompresorową 12V, czy absorpcyjną? Bo tylko kompresorowa może z powodzeniem pracować na 12V z akumulatora - absorpcyjna lub nie daj termoelektryczna zje akumulator w tempie błyskawicznym. 12V w tych lodówkach służy wyłącznie do zasilania w trakcie jazdy, na postoju przełącza się je na zasilanie gazowe.
alieno - 2015-04-02, 00:00

a to nie wiedziałem, niestety jeszcze do tego nie dotarłem. To dlatego w schemacie Kodiego była bezpośrednio podłączona do alternatora. Kurcze muszę poczytać by nie tracić twego czasu. Wiem jedno prawie ze wszystkiego da rade zrezygnować ale z lodówki ciężko. Wydawało mi się dziwne mimo wszystko ładowanie tylko w czasie jazdy no chyba ze zatrzymujemy się tylko na kamper parkach. Odezwę się jak się dokształcę na ten temat.ok
koder - 2015-04-02, 00:35

:ok

Tutaj tymczasem masz schemat pełnego układu, z zasilaniem lodówki, automatycznym przełączaniem 230 z przetwornicy/słupka, automatycznym ładowaniem:

Jak widać ten Volt sporo problemów w sobie rozwiązuje, ale zmontowanie tego osobno też nie jest szczególnie skomplikowane. W temacie Kodiego masz masę praktycznych wskazówek - jak to wszystko do kupy składać, ten tutaj schemat traktuj jako bardziej ideowy, starałem się raczej, żeby po prostu było widać jak to działa.

W typowej kamperowej lodówce masz zasilanie możliwe z 12V, 230V oraz gazu. Zatrzymując się poza campingiem korzystasz zwykle z zasilania gazowego. Możliwymi alternatywami są:
  • Wspomniana lodówka zasilana 12/230/gaz.
  • Lodówka kompresorowa 12V, która ma pobór prądu rzędu 1A (producenci podają od 0.5A - 2A). Dobre, drogie (~2000zł to tanio)
  • Odpowiednio mocna przetwornica i lodówka kompresorowa 230V. "Odpowiednio mocna" to niestety rząd 1500/3000W, bo startujący kompresor pobiera ogromne ilości prądu przez kilka sekund. Rozwiązanie tańsze, ale mniej oszczędne - duży inwerter zużywa dodatkowo ~2A prądu (średnio ok. 7A z lodówką).
  • Lodówka na wkłady, która w ogóle prądu nie potrzebuje, ale trzyma max. 4-5 dni (dobrze zaizolowana) lub 1-2 dni (typowa marketowa)


Wszystkie trzy opcje są wykorzystywane przez kolegów na forum, jak poszukasz to znajdziesz informacje z pierwszej ręki, jak się to sprawuje.

toscaner - 2015-04-02, 11:27

Ja mam opcję kompresorowa 230V i przetwornica. Plus taki, że od lata zeszłego roku, czyli na teraz to będzie jakieś 8 miesięcy nie zużyła ani grama gazu (bo nie ma opcji na gaz), ani też prądu z tzw. słupka.
Od 8 mies. lodówka pracuje "na słońce". Mówiąc prosto: zimne piwo dzięki słoneczku. :)

Mirekl61 - 2015-04-02, 19:39

koder napisał/a:

Ja bym jeszcze spiął alternator z pokładowym.
Chyba że coś nie zrozumiałem.

Banan - 2015-04-02, 20:18

Mirekl61 napisał/a:
koder napisał/a:

Ja bym jeszcze spiął alternator z pokładowym.
Chyba że coś nie zrozumiałem.

Jest spięty przez przekaźnik 8-)

Mirekl61 - 2015-04-02, 21:12

Przez przekaźnik lodówka i zabudowa
Banan - 2015-04-02, 21:35

Ten przekaźnik uruchamia lodówkę i ładowanie akumulatorów.
Lodówka na 12V, działa tylko z alternatora 8-)

koder - 2015-04-02, 21:38

Banan napisał/a:
Mirekl61 napisał/a:
Ja bym jeszcze spiął alternator z pokładowym.
Chyba że coś nie zrozumiałem.

Jest spięty przez przekaźnik 8-)

Dokładnie tak. Zamieszanie chyba wprowadza kabel opisany "alternator". To kabel sygnałowy, nie prądowy. Prądowo alternator podpięty jest do akumulatora rozruchowego (Ar), a po uruchomieniu silnika przez przekaźnik RY2 również do akumulatora zabudowy. Podpięcie akumulatora rozruchowego do alternatora jest fabryczne i jako takie nie zaznaczone na powyższym schemacie.

Mirekl61 - 2015-04-02, 21:43

Dziękuje :lol:
alieno - 2015-04-02, 22:55

Hejka ponownie wszystkim i dzięki za uwagi.

Dzięki Koder za kolejny rys. Uparłem się mimo wszystko by zastosować ten Volt, wydaj mi się że znacząco przyspieszy on moją pracę nad elektryką. Mi nie chodzi nawet o to żę zrobienie energobloku jest za trudne, tylko nadzwyczajnie mam ograniczony czas i bardzo dużo projektów domowych, które kobietka mi zleca co chwile :wyszczerzony: . Następna rzecz to miejsce w którym mieszkam i brak sklepów, nawet internetowych by to wszystko kupić. W GB mało kto z tubylców robi, tworzy coś samemu wiec jest małe zapotrzebowanie. I na końcu po prostu mnie to nie kręci, bardziej mnie kręci np zrobienie samemu takim mebli, zaznaczam że nigdy jeszcze nie robiłem mebli od podstaw poza pólkami na książki, lub zespawanie takiego siedzenia rozkładanego jak to na dole mimo że nigdy nie spawałem to są wyzwania które mnie kręcą. Elektryka co najwyżej parę razy mnie "popieściła" :wyszczerzony: . Dlatego szukam jak najłatwiejszego rozwiązania i żeby było mi potrzebnych jak najmniej podzespołów.

Koder: Toscaner pisał że ma lodówkę kompresorowa 230V i że od 8 mies. lodówka pracuje "na słońce". :wyszczerzony: . Ja będę miał 240w solary i aku 240ah
Znalazłem lodówkę która :"zużycie energii dla 230V wynosi 1,6 kWh/24h" co wydaj mi się stosunkowo mało nawet na tego Volta. I wpadłem :idea na pomysł żeby nie montować wogóle 12v zasilania.
1. Czy do oświetlenia ledowego mógłbym po prostu użyć zasilacza stabilizowanego, a mam ich pełno bo całe oświtlenie domowe jest na bazie ledów.?
1a czy będę tracił prąd w ten sposób że przetwornica zamieni prąd na 240v a później zasilacz na 12v.
2. Co w takim wypadku z pompką do wody w kranie (nie bedzie prysznicu ani nic takiego) i co z webasto?
2a Bardzo bym ryzykował rozładowaniem aku rozróchowego jakbym podłączył te dwie rzeczy do zapalniczki na bazie tego aku?

Naprawdę super było by właśnie tak to zrobić jak na twoim pierwszym rys. Co myślisz, myślicie?

grzegorzalex - 2015-04-02, 23:25

Tutaj masz firmę co specjalizuje się w zabudowie twojego modelu http://buskamper.pl/
alieno - 2015-04-02, 23:50

znam ją, właściwie od ich filmu na youtubie powstał pomysł żeby zakupić vivaro :-P
Czarna i Krzysiek - 2015-04-03, 00:19

Skoro Ledy masz na 12V to po co zasilacz z 230V? Nie lepiej po prostu pod aku je podłączyć? Według mnie nie ma sensu 12 na 230 i znów na 12. Straty będziesz miał znaczne.
toscaner - 2015-04-03, 00:34

alieno napisał/a:

Znalazłem lodówkę która :"zużycie energii dla 230V wynosi 1,6 kWh/24h" co wydaj mi się stosunkowo mało nawet na tego Volta.


Ojoj, 1,6kwh/24h? :shock:
Albo to jakiś potwór albo coś źle przeczytałeś. 1,6kWh na dobę, to dalej x 365 (tyle dni ma rok) masz roczne zużycie ~ 584kWh/rok.
Moja lodówka ma wg danych producenta roczne zużycie 109kWh/rok, czyli 0,298 kWh/24h.
Widzisz różnicę?

Oświetlenie rób tylko na 12V. Nie baw się w inne napięcia. Szkoda energii. Będą straty - podwójne przetwarzanie. Ja wziąłem domowe na 230V, delikatnie odciąłem tylną część, rozlutowałem gówniany zasilacz 230 -> 12V i zostały led na 12V. Mogłem kupić, ale takie miałem, super świeciły i akurat padły w nich zasilacze. Ledy zdrowe. Kolejny plus oryginalne 12tki by się nie zmieściły w okapie. Wino zabrało dużo miejsca. :mrgreen:

Rozruchowy zostaw tylko do rozruchu. Gdybyś niechcący rozładował pokładowe, nadal odpalisz auto i doładujesz pokład. Jak rozruch padnie to chyba wiesz co to znaczy? Na pych? :mrgreen:

koder - 2015-04-03, 00:48

No i wydaje mi się, że tamten Volt to może być zbyt słaby do lodówki. Toscaner, o ile dobrze pamiętam, ma przetwornicę 1500/3000W - ponad 2x mocniejszą. Przy takich duzych przetwornicach niestety pojawia się problem niebagatelnego prądu jałowego - po prostu biorą 1-2 ampery cały czas. Można to rozwiązać automatyką włączającą przetwornicę tylko w razie potrzeby - ale to niestety kolejna komplikacja.

Prostym i drogim rozwiązaniem lodówki jest zakup kompresorowej 12v, np. Waeco.

Instalacja oświetleniowa 12v jest prosta i nie ma jej co pomijać. Bez problemu kupisz ledy czy paski ledowe na 12V. Przy poborze prądu z led można nawet pominąć zabezpieczenia - musiałbyś lampkę na miesiące zostawić.

alieno - 2015-04-03, 00:49

Właśnie czytając post wyżej "Edyta i Krzysiek" dotarło do mnie że jak podłącze pompkę i webasto pod akumutator przez zapalniczkę to mogę uwalić aku. Zapomniałem całkowicie że nie powinno się rozładowywać aku przede wszystkim bo można go już nie móc naładować. Za mało śpię ostatnio i za dużo myśli na raz. :( . Czyli NA PEWNO TRACI się prąd na zamianie z 12 na 230 i na 12 przez zasilacz? Jak pisałem nie mam żadnej wiedzy na temat elektryki wiec stąd takie pewnie dla niektórych głupie pytania.
alieno - 2015-04-03, 00:59

ok dzieki Toscaner i Koder idę już spać by nie palnąć jeszcze jakiejś głupoty. Jeszcze dwa dni pracy i mam 4 dni wolnego w które w końcu ropocznę projekt KAMPER od ocieplenia i wygłuszenia.

DOBRANOC http://www.camperteam.pl/.../smiles/516.gif

koder - 2015-04-03, 08:23

Przetwornice typowo mają sprawność 70-80%. Producenci często piszą rzeczy w rodzaju "maksymalna sprawność 98%", no ale to jest "maksymalna, w najlepszych możliwych warunkach". Gdyby miały taką sprawność cały czas, to nie montowano by w nich wentylatorów (bo by się nie grzały - pozostałe 30-20% idzie w ciepło).

Głównym problemem przy dużej przetwornicy jest ten prąd jałowy - też często czytam deklaracje o prądach 0.3A, ale w praktyce te prądy to 1 do 2A - w każdym razie przy tych tańszych. W sprawie rzetelnej wiedzy można polecić polski sklep Techtron, prowadzący również kanał youtube na którym można zobaczyć testy praktyczne ich towarów, łącznie właśnie z rzetelnymi pomiarami prądu jałowego.

Bronek - 2015-04-03, 09:32

W powyższym sklepie kupiłe właśnie - sinus Volt 1500W /3000W.
92% sprawności...w papierach.
30 sekund pracy mikrofalówki i potem zaczyna się chłodzenie, i kabelki cieplutkie. i wiaterek też
Czyli coś z czegoś. Buczyć nie buczy, lecz wiadomo że pracuje.
Zauważyłem, że nie tyle obciążenie a czas działania ma znaczenie dla w/w objawów pracy.

Johny_Walker - 2015-04-03, 09:45

alieno napisał/a:
Czyli NA PEWNO TRACI się prąd na zamianie z 12 na 230 i na 12 przez zasilacz? Jak pisałem nie mam żadnej wiedzy na temat elektryki wiec stąd takie pewnie dla niektórych głupie pytania.

Jak sobie kupisz porządną przetwornicę Votronic, to straty będą kilka razy mniejsze i do pominięcia. Kupisz Volt czy inne badziewie, to masz problem.
Votronic ma straty 7% i bardzo mały pobór prądu na oczekiwaniu 1/4A.

Bronek - 2015-04-03, 09:55

Wszystko zależy od przeznaczenia przetwornicy.

Nie ma to tak wielkiego znaczenia czy sprawność ma tyle czy tyle jeśli niewykorzystujesz mocy maksymalnej w pracy ciągłej, a ta praca trwa parę minut dziennie o ile w ogóle będzie używana.

Inaczej gdy jest to element istotny dla zaopatrzenia w energię, wtedy warto dobrać go optymalnie i niepożałować grosza, bo to per saldo się opłaci.

koder - 2015-04-03, 10:33

Johny_Walker napisał/a:
Votronic ma straty 7% i bardzo mały pobór prądu na oczekiwaniu 1/4A.

Zależy który i w jakich warunkach. Zresztą, dla porównywalnych parametrów (1500/3000W) producent podaje zużycie własne 10W (0.83A) i 5W (0.41A) w stand-by. Lepiej, niż Volt wychodzi w testach, ale Volt na stronie też podaje prąd jałowy mniejszy, niż wychodzi w testach (0.3A).

W praktyce on znacząco zależy od napięcia na akumuatorze:


Przy okazji, JW, zauważyłem pewną zależność w Twoich postach:

Produkt Made In China którego nie masz (Volt) = badziewie.
Produkt Made In China, który masz (Stracer) fajy sprzęt w dobrej cenie.

:lol:

Johny_Walker - 2015-04-03, 11:38

Nie mam Tracera, bo sprzedałem. Testowałem go i działał bardzo poprawnie. Uważam że ma dobry stosunek ceny do jakości i możliwości.
Co do Volta, to nie testowałem ale dużo się o nim naczytałem na różnych forach. Czytałem też instrukcje kilku urządzeń tej firmy i uderzyło mnie w oczy to czego nie piszą. Pomijają pewne bardzo istotne parametry lub problemy. Np. nie umieszczają wykresu sprawności albo szeroki przedział wartości gdzie oczywiste jest podanie konkretnej. Cyrki z przegrzewaniem się przy zbyt małym poborze. Ludzie to rozbierali i w środku bieda z nędzą.

Produkty chińskie, których nie mam, a uważam za dobre: Kymco (Taiwan, ale to też Chiny), inne regulatory MPPT Tracer czy EPSolar itp.
Jeśli coś co jest mi potrzebne jest w dobrej cenie w Chinach, to kupuję. Jak będę potrzebował dużego inwertera do chwilowej pracy, to być może kupię Volt. Tak się składa że nie potrzebuję, a szukam czegoś co będzie odporne na zapomnienie i zużywać mało energii w trybie oczekiwania.

Nie jest tak że uważam Volt za szajs bo go nie mam. Nie mam go, bo moim zdaniem to słaby sprzęt do moich potrzeb. Nie odwracaj kierunku zależności przyczynowo skutkowej.

koder - 2015-04-03, 15:39

Johny_Walker napisał/a:
Nie jest tak że uważam Volt za szajs bo go nie mam. Nie mam go, bo moim zdaniem to słaby sprzęt do moich potrzeb. Nie odwracaj kierunku zależności przyczynowo skutkowej.

Niestety, na kierunek zależności mamy tylko Twoje słowo. Na razie obserwowalna jest tylko korelacja.

Całe szczęście są inni forumowicze posiadający rzeczony sprzęt i możemy się oprzeć na ich opiniach.

koder - 2015-04-03, 18:54

Tutaj fajny test z Techtrona Volt IPSn-3000-S 12V oraz 24V (1500/3000W sinus):

Szczególnie warto zwrócić uwagę na:
  • Miękki start do odkurzacza - możliwość odpalenia dużych silników, bez względu na impuls startowy.
  • Zmierzony prąd jałowy 0.75A - 9W. To lepiej niż deklarowany przez producenta prąd jałowy Votronica (0.83A), choć gorszy od trybu standby (0.41A).
Ogólnie bardzo fajnie to wygląda, wysuwa się ten model na szczyt mojego osobistego rankingu dużych przetwornic.

alekug - 2015-04-03, 19:04

Witaj Koder !
Dość fajna ta przetwornica , tylko ile kosztuje ?

toscaner - 2015-04-03, 20:59

Johny_Walker napisał/a:
alieno napisał/a:
Czyli NA PEWNO TRACI się prąd na zamianie z 12 na 230 i na 12 przez zasilacz? Jak pisałem nie mam żadnej wiedzy na temat elektryki wiec stąd takie pewnie dla niektórych głupie pytania.

Jak sobie kupisz porządną przetwornicę Votronic, to straty będą kilka razy mniejsze i do pominięcia. Kupisz Volt czy inne badziewie, to masz problem.
Votronic ma straty 7% i bardzo mały pobór prądu na oczekiwaniu 1/4A.


Ja to bym chciał to zobaczyć na mierniku. Moja duża też w papierach ma coś ok. 0,3A, a żre od 0,9A - 1,8A, a ta mała 400/800 max. 0,28A. Też chińczyk, ale też pełny sinus.
Ta 1/4A to jaki model/moc?

Czarna i Krzysiek - 2015-04-03, 21:17

Moja przetwornica, taka mała, 150W ale nie sinus, tylko modyfikowany, prąd jałowy zmierzony miernikiem 0,5A
alieno - 2015-04-03, 22:58

Siemka wszystkim,
Postanowiłem dzisiaj ustalić czy jak bym zdecydował się na taki elektroblok jak zrobił sobie Kodi to czy znajdę podzespoły tutaj w UK i tak jak przypuszczałem, na ebayu to głównie w chinach mi znajduje. Na google to nie znajduje mi w uk a jak coś znajduje to nie wiem czy to samo.

Wiec spróbuję jeszcze znowu z tym Volt sinusPro 1000S, trudno może nie jest za mocny ale będzie musiał mi wystarczyć.
Pozwoliłem sobie wykorzystać rys Kodera i dodałem zdjęcia tego co już zamówiłem, mam nadzieje że to wykorzystam. :wyszczerzony:

Jest też ale... jak pociągnąć te 12v z tego aku pokładowgo (AP) żęby było jakieś zabezpieczenie przed rozładowaniem. Pamiętając że już Volt sinusPro bedzie zażądzał ładowaniem tego aku.

alieno - 2015-04-04, 00:26

............ A jakby dać regulator ładowania pomiędzy ten separator akumulatorów a aku pokładowe --- tylko dołączyć do tego jakieś manualne przekazanie ładowania tylko volta lub tylko regulator. ????????
Domyślnie miałbym podłączone przez solary a jak bedę jechał w nocy mogę przełączyć na alternator............ można tak? Cały sprzęt 12v do regulatora, przełącznik przed regulatorem.

Johny_Walker - 2015-04-04, 08:20

toscaner napisał/a:

Ja to bym chciał to zobaczyć na mierniku. Moja duża też w papierach ma coś ok. 0,3A, a żre od 0,9A - 1,8A, a ta mała 400/800 max. 0,28A. Też chińczyk, ale też pełny sinus.
Ta 1/4A to jaki model/moc?

http://votronic.de/index....ion/smi-300-nvs

koder - 2015-04-04, 08:29

Okay, na początek istotna informacja w sprawie działania lodówki kompresorowej 230v z bliźniaczego inwertera:

Prąd rozruchowy 4.5A@230V (czyli 1035W). Przy obciążeniu dodatkowym 300W lodówka też działa, tylko pika. Lodówka z agregatem mocy 65W. Pewna wada którą widzę od razu - prąd jałowy 1.1A. Nie bardzo duży, no ale jednak 26Ah na dobę zje. Oczywiście z solarem 100-200W to się bez problemu skompensuje. Przy ewentualnym zamawianiu tego modelu zwróć pilną uwagę na literki modelu, bo różnią się znacząco.

Zabezpieczenie odbiorników 12V można zrealizować na przykład tak:


Przekaźnik RY2 z uzwojeniem 230V, stykami ok. 10A (~30zł) będzie załączony tylko wtedy, gdy będzie zasilanie 230V - czyli albo jesteśmy podpięci do "słupka" i ten prąd idzie z niego, albo jest wystarczająco wysokie napięcie, żeby przetwornica działała. Mimo prostoty, to rozwiązanie ma taką wadę, że wyłączając przetwornicę wyłączasz jednocześnie 12V.

Można kupić dedykowane urządzenia zabezpieczające przed rozładowaniem (można kupić za ~60zł), można też skorzystać z praktycznie dowolnego regulatora ładowania - większość ma taką funkcjonalność wbudowaną (np. LS1024S, z którego ja korzystam - fajnym dodatkiem jest estetyczny wygląd umożliwiający zamocowanie na panelu i dodatkowy wskaźnik naładowania, koszt ~75zł).

Można w końcu kupić Volt sinusPro 1000-W, który nie ma kontrolera MPPT, i dokupić osobny kontroler (np. wspomnianego tracera).

Ja osobiście skłaniałbym się do VsP 1000-S + LS1024S jako zabezpieczenie 12V/10A + solary >200W.

Alekug: przetwornica napięcia 12V 24V 230V 1500W IPSn-3000-S Sinus w Techtron.pl za 699zł

koder - 2015-04-04, 08:32

Johny_Walker napisał/a:
toscaner napisał/a:

Ja to bym chciał to zobaczyć na mierniku. Moja duża też w papierach ma coś ok. 0,3A, a żre od 0,9A - 1,8A, a ta mała 400/800 max. 0,28A. Też chińczyk, ale też pełny sinus.
Ta 1/4A to jaki model/moc?

http://votronic.de/index....ion/smi-300-nvs

Czyli 300/600W sinus ma jałowy deklarowany 0.25A. Toscanera chińczyk sinus 400/800W ma jałowy zmierzony max. 0.28A. Nie powiedziałbym, że to przepaść. No i tu gadamy o przetwornicach zdolnych uruchomić lodówkę 230V, a ten Voltonic, który linkujesz, raczej temu nie podoła.

alieno - 2015-04-04, 10:49

Dzięki jeszcze raz Koder, jestem właśnie w pracy. Właśnie mam problem z dostępem do tego przekaznika na 230v tutaj w GB. Możesz na szybko jakiś link podesłać do jakiegoś przekaźnika na allegro. To może napiszę czy by wysłał do UK? Oczywiście jak masz chwilę. Ja sprawdzę jak skończę tyle.
koder - 2015-04-04, 10:53

Nie ma opcji, żeby były trudno dostępne:

http://www.ebay.co.uk/bhp/240v-coil-relay

Proponuję conajmniej 10A na stykach. Elektromagnes (coil) ma być 240V/AC.

EDIT: np. Taki (ebay)

Johny_Walker - 2015-04-04, 11:52

koder napisał/a:
Johny_Walker napisał/a:
toscaner napisał/a:

Ja to bym chciał to zobaczyć na mierniku. Moja duża też w papierach ma coś ok. 0,3A, a żre od 0,9A - 1,8A, a ta mała 400/800 max. 0,28A. Też chińczyk, ale też pełny sinus.
Ta 1/4A to jaki model/moc?

http://votronic.de/index....ion/smi-300-nvs

Czyli 300/600W sinus ma jałowy deklarowany 0.25A. Toscanera chińczyk sinus 400/800W ma jałowy zmierzony max. 0.28A. Nie powiedziałbym, że to przepaść. No i tu gadamy o przetwornicach zdolnych uruchomić lodówkę 230V, a ten Voltonic, który linkujesz, raczej temu nie podoła.
Bo do zasilania lodówki z solarów będzie służył regulator Votronic z wyjściem sterującym dla AES. Domowego AGD na razie nie montuję w kamperze.
kaimar - 2015-04-04, 12:31

Koder - wielka prośba do Ciebie - Czy jak rysujesz schematy (bardzo fajne) mógłbyś używać symboli elementów stosowanych w Europie?
Simbus - 2015-04-04, 13:35

koder napisał/a:
Całe szczęście są inni forumowicze posiadający rzeczony sprzęt i możemy się oprzeć na ich opiniach.


Przetwornicę Volt 1000/1500 pełny sinus użytkuje w kamperze już blisko dwa lata.
Według mnie świetny sprzęt w rozsądnej cenie.
Zasilałem nią wielokrotnie ''ala ekspres '' do kawy z Biedronki - 860 W plus wiele innych urządzeń nie myśląc czy mam przejściówkę na 12v i czy na pewno da radę..zawsze daje.
Raz nawet z ciekawości do przetwornicy podłączonej na stałe do aku zabudowy, wpiąłem kablem ''kampera'' tworząc prawie perpetuum mobile :mrgreen:
Chciałem sprawdzić czy lodówka na 230 będzie działać bez problemu - oczywiście tak :wyszczerzony:

koder - 2015-04-04, 13:44

kaimar napisał/a:
Koder - wielka prośba do Ciebie - Czy jak rysujesz schematy (bardzo fajne) mógłbyś używać symboli elementów stosowanych w Europie?

Od odebrania dyplomu technika elektronika stuknęło mi już 18 lat i w tym czasie naoglądałem się tyle schematów z różnych źródeł, że będziesz mi chyba musiał wytknąć palcem. Chyba, że chodzi o Oph - jeśli tak, to świadomie użyłem nietypowego symbolu, żeby komuś do głowy nie wpadło, że to zwykły rezystor. A żarówki - przyznam się bez bicia - nie znalazłem w bibliotece shemeit, a dorysowywać mi się nie chciało.

Simbus napisał/a:
Przetwornicę Volt 1000/1500 pełny sinus użytkuje w kamperze już blisko dwa lata.

:ok

Masz możliwość może zmierzyć prąd jałowy? Czyli - ile ta przetwornica pobiera z akumulatora, gdy niczego nie zasila.

Simbus - 2015-04-04, 13:55

koder napisał/a:
Masz możliwość może zmierzyć prąd jałowy? Czyli - ile ta przetwornica pobiera z akumulatora, gdy niczego nie zasila.

Nie mam czym, zielonego pojęcia nie mam jak :wyszczerzony:
Z innej branży jestem i prąd woogóle mnie nie interesuje, po prostu ma być :mrgreen:

poptek - 2015-04-04, 17:02

Simbus, jak się zobaczymy następnym razem to może coś się uda nam zmierzyć? Tylko muszę zabrać odpowiedni miernik. :diabelski_usmiech
Też teraz jestem z innej branży ale ze szkoły jeszcze coś tam pamietam.

alieno - 2015-04-04, 22:33

Siemka i wesołych świąt wszystkim prost z UK :szeroki_usmiech .

Koder dzięki za linka, wiem że popełniłem błąd z angielskim podczas szukania, ja szukałem: solid state relay a nie "Coil Relay". Tak mi przetłumaczył jakiś techniczny słownik na necie.
Napisałeś że : "Ja osobiście skłaniałbym się do VsP 1000-S + LS1024S jako zabezpieczenie 12V/10A + solary >200W. "
No właśnie takie coś chcę. Tylko jest problem chyba z moim czytaniem twoich technicznych rysunków. Nie potrafię, powiedzieć, domyślić się po co idą te kable z przetwornicy do światła? Światło miało być na 12v.
Również nie wiem za bardzo czym są te uzwojenia, nie pamiętam nic takiego z lektury kodiego.
Nie pytałem wcześniej bo nie chciałem jeszcze czymś takim zawracać Ci głowy, ale może dlatego nie rozumiem tego rys.
Wciąż też nie wiem w którym miejscu podłączyć ten regulator? Ten mój pomysł żeby przełączać manualnie sposób ładowania usłyszałem na jakimś filmiku na youtubie, wydawało mi się spoko.
Chciałbym po prostu żeby to była łatwa instalacja zrozumiała dla takiego laika jak ja.

koder - 2015-04-05, 10:23

Do wykorzystania dodatkowego regulatora masz takie opcje:

Albo tańszy regulator tylko w roli zabezpieczenia, albo lepszy regulator MPPT w roli zabezpieczenia i ładowania, za to można zastosować tańszą wersję przetwornicy Volta lub inną przetwornicę trybu UPS.

alieno napisał/a:
Również nie wiem za bardzo czym są te uzwojenia, nie pamiętam nic takiego z lektury kodiego.
Nie pytałem wcześniej bo nie chciałem jeszcze czymś takim zawracać Ci głowy, ale może dlatego nie rozumiem tego rys.


Chodzi może o to:

To jest po prostu przekaźnik (relay) - to symbol jednego urządzenia, z linków powyżej. Możesz myśleć o nim jako o "przełączniku sterowanym silnikiem". Do jednych styków doprowadzasz zasilanie sterujące, które powoduje załączenie lub wyłączenie wbudowanego pstryczka. Napięcia są kompletnie izolowane - możesz przy użyciu 12V załączać 230V lub w dowolnej innej kombinacji. Na schemacie o który pytasz, do sterowania używanie jest 230V z przetwornicy i ono załącza 12V na oświetleniu. Gdy przetwornica nie działa (wyłączyłeś, lub akumulator jest zbytnio rozładowany), to ten przekaźnik wyłączy również oświetlenie (12v).

alieno - 2015-04-05, 12:24

Tak, właśnie o coś takiego jak na rysunku po lewej mi chodziło, dokładnie. Tylko wciąż nie rozumiem jak połączyć te kable idące z volta i z przekaźnika oraz regulatora do Ap. (chodzi mi o te "skrzyżowanie" kabli) Nie wiem jak to wytłumaczyć, chodzi mi o to że np Podczas ładowania Ap z volta jak to jest że ta wiązka prądu nie pójdzie bezpośrednio do regulatora. Ojej brakuje mi słownictwa fachowego :gwm .

W temacie Kodiego, jest Opis Świstaka jak prąd plynie, tyle że nie potrafię tego przełożyć na moją instalację:
Świstak napisał/a:
Solary podłączyć najprościej - zostały już podłączone. Teoretycznie wystarczyłoby rownolegle do nich (czyli + do + a - do -) podłaczyć prostownik i po bólu. Teoretycznie ... nie. Prąd ma to do siebie że płynie jak woda - od wyższego potencjału do niższego. Nigdy pod górę. Jeżeli panele słoneczne są oświetlone, na ich wyjściu pojawia się potencjał kilkunastu wolt i z prostownika prąd do nich i przez nie nie popłynie. Jeśli jednak nie są oświetlone - na ich wyjściu pojawia się potencjał bliski zeru, a wtedy już może popłynąc prąd z prostownika. A tego nie chcemy. Trzeba więc zamontować jakiś przełącznik, zapadkę i najlepiej automatyczna. Opcje są dwie - przełacznik sterowany czyli przekaźnik, albo zapadka przepuszczająca prąd tylko w jedną stronę czyli diodę. Pierwsze rozwiązanie jest drogie i duże, drugie też ma wady - podobnie jak zawór jednokierunkowy na rurę kanalizacyjną wprowadza przewężenie czyli ograniczenie w przepływie wody (prądu elektrycznego) oraz generuje pewien spadek ciśnienia (napięcia). Ma też minimalne ciśnienie zadziałania które przełamie opór sprężyny (spolaryzuje złącz PN) i taki spadek ciśnienia będzie utrzymywać a w efekcie część energii zamieni w straty w postaci zawirowań i szumu (ciepła i szumu). Są sytuacje gdy możemy sobie na takie straty pozwolić - w przypadku paneli generujących potencjał rzędu 18 V mamy zapas, bo akumulator będzie ładowany przy napięciu max 14,4V. Mamy więc prawie 4V do roztrwonienia. Część zgubi regulator, bo takie jest jego podstawowe zadanie, ale jeśli włączymy w szereg diodę która na której zgubi się jeszcze 0,6V - nic się nie powinno stać. Wciąż mamy zapas. Tak więc montujemy diodę o ile producent paneli nie zrobił tego w fabryce... Warto doczytać czy ich tam już nie ma...
Jesteśmy już spokojni że z prostownika prąd nie popłynie przez panele. Czy więc z paneli nie popłynie przez prostownik?? Nie, ponieważ prostownik ma na wyjściu mostek prostowniczy zbudowany z czterech diod połączonych tak sprytnie, że niezależnie od tego w jakim kierunku prąd płynie na jego wejściu - na wyjściu zawsze płynie tylko w jednym kierunku. W kierunku od prostownika nigdy do prostownika. Oczywiście piszę to dość hydraulicznie, ale nie wiem jak to inaczej wytłumaczyć w kilku słowach.... Mam nadzieję że prostota analogii zrekompensuje braki formalne jak choćby jednorurowość hydrauliki w odniesieniu do dwuprzewodowości elektryki. Jedno i drugie jest względne.... :haha:
W sumie automat gotowy. Akumulatory będą ładowane z tego co w danej chwili dostępne. Jest jednak pewien haczyk... Pisałem już że regulator działa na zasadzie zaworu przyręcającego się w mairę potrzeb. Zawór taki ma to do siebie że potrafi tylko obniżać, nigdy podbijać. Tak więc dobrze byłoby upewnić się że napięcie na wyjściu prostownika jest wyższe niż suma maksymalnego napięcia akumulatora (14,4) i strat na regulatorze. To ostatnie jest wielką niewiadomą i zależy od wewnętrznej konstrukcji regulatora. Aby mieć pewność że wszystko będzie poprawnie działać powinniśmy z prostownika podać tyle co panele czyli około 18-20V, ale jak na złość nie możemy ustawić takiej wartości... Spróbujmy więc przełączyć prostownik na 12V w opcji syzbkie ładowanie - powinno wystarczyć. W szczycie prostownik powinien dać nam ponad 15V. ale czy da? Zależy od konkretnego egzemplarza prostownika i od napięcia w sieci 230V, a to przy solidnym obciążeniu i dużej ilości rozgałęźników i przedłużaczy może być sporo niższe... 200V nie jest niczym niezwykłym w takiej pajęczynie. Już nam brakuje 15%, a to dużo. Jeśli więc prostownik nie da rady - przełączymy go na 24V ale w opcji wolne ładowanie. Da nam wtedy 26-28 volt. To już z pewnością wystarczy, ale oznaczać będzie że regulator będzie musiał zgubić 28-14,4 = 13,6 volta... Zgubi, tylko znów od wewnętrznej konstrukcji zależy jak to zrobi - czy przez bardzo szybkie włączanie i wyłaczanie (bardzo wskazana opcja) czy też przez regulację na zasadzie potencjometra który nadwyżkę energii zamienia w ciepło (niekorzystna opcja). Ta druga opcja jest rozrzutna i niebezpieczna, bo może nam zwyczajnie usmażyć regulator...
Zostało jeszcze jedno źródło, czyli alternator....
Komplikuje to trochę nasz układ logiczny, bo producent podwozia zmajstrował już układ spinający alternator z akumulatorem rozruchowym. Dobrze dla akumulatora, źle dla nas... Moglibyśmy znaleźć sygnał informujący że alternator działa i podłączać się do źródełka z naszym akumulatorem nadwoziowym, ale tam już jest podpięty akumulator rozruchowy. Każdy z nas odpalał zimą auto metodą "na kable" i widział co się dzije gdy podpinamy mocno rozładowany akumulator (nadwoziowy) do innego, naładowanego i jeszcze w przy pracującym silniku (rozruchowy). Iskrzy, a kable robią się ciepłe... To że iskrzy to już źle, bo iskrzyć będzie na stykach naszego urzadzenia przełączającego skracając jego żywotność, ale to że kable robią się ciepłe to tragedia, bo oznacza że do słabszego akumulatora płynie potężny prąd ładowania wielokrotnie przekraczający normy przewidziane przez producenta. To okrutnie skraca żywotność akumulatora. Czasem jednak tak się robi, szczególnie w starszych kamperkach rozwiązania takie były popularne... Przez kilka lat działa to jako tako, ale gdy wszystko się trochę zestarzeje, podrdzeiweje, poprzegrzewa i wykrzywi - zaczynają się problemy... My chcielibyśmy ich uniknąć, zwłaszcza że mamy coś czego starsze kamperki nie miały - regulator solarów..... Zróbmy więc taki bajer który podłacza nam alternator do wejścia regulatora gdy silnik (i alternator) pracuje. Wtedy akumulator nadwoziowy będzie się pomalutku ładował z alternatora. Słowo - klucz w tym przypadku to pomalutku, czyli bezpiecznie. Jutro pomierzymy jeszcze czy będzie to możliwe w tym konkretnym egzemplarzu sterownika (czy sterowanie jest w plusie czy w masie) czy też będziemy knuć dalej z jakimiś opornicami. Jestem jednak dobrej myśli.
Obiecywałem też że oprócz tego będzie się włączała lodówka i coś tam jeszcze i na dodatek wspomniana lodówka będzie brać prąd z alternatora, nie zaś z biednego akumulatora nadwoziowego który pomalutku się teraz ładuje! Da się to wszystko na raz zrobić najlepiej jednym elementem??? Da się.... Jak? Służę uprzejmie: przekaźnikiem R15 z cewką na 12V. Przekaźnik ten mamy już zamontowny w rozdzielni 12V.
Jedną z końcówek cewki, powiedzmy 14 podłączamy niebieskim przewodem do listwy masowej, zaś drugą - 13 - czarnym długim przewodem do alternatora. Tam bowiem pojawia się sygnał o jego działaniu. Dość ciężko czasem znaleźć miejsce do podłączenia, ale jest to wykonalne. Do alternatora dochodzą bowiem tylko dwa przewody - prądowy grubości palca prowadzący do rozrusznika lub bezpośrednio do akumulatora rozruchowego oraz sterujący zakończony wsuwką lub oczkiem. Właśnie ten przewód nas interesuje. Dopinamy się do niego zgodnie ze sztuką i posiadanym sprzętem, miejsce łaczenia bardzo dokładnie izolujemy i zdalne sterowanie gotowe. Teraz po odpaleniu silnika przekaźnik powinien kłapnąć i złapać, a po zgaszeniu silnika powinien odpuścić.


[ Komentarz dodany przez: koder: 2015-04-05, 17:32 ]
EDIT: poprawa cytowania

koder - 2015-04-05, 17:36

alieno napisał/a:
Tylko wciąż nie rozumiem jak połączyć te kable idące z volta i z przekaźnika oraz regulatora do Ap. (chodzi mi o te "skrzyżowanie" kabli) Nie wiem jak to wytłumaczyć, chodzi mi o to że np Podczas ładowania Ap z volta jak to jest że ta wiązka prądu nie pójdzie bezpośrednio do regulatora.

Pójdzie i tak właśnie ma być. Dzięki temu przy podpięciu do słupka 230V w oświetleniu 12V masz zasilanie właśnie z tego słupka (przez prostownik w Volcie). Jak zdecydujesz się na konkretne rozwiązanie, to spróbuję zaproponować połączenia, bo tu też jest sporo detali, których schemat nie zawiera (skrzynki montażowe, przekroje przewodów, złączki itp).

Banan - 2015-04-05, 18:49

alieno, nie obraź się kolego, ale jak nie potrafisz "przeczytać" schematów Kodera,(to są podstawy) to może jednak weź sobie kogoś do pomocy, albo zleć komuś tę robotę...
Nie mówię tego złośliwie, ale dla Twego dobra i bezpieczeństwa, o ile 12V nie jest bezpośrednio niebezpieczne. Może się zdarzyć, że oprócz instalacji, możesz spalić całe auto, szczęściem będzie jak puste.
O 230V nie wspomnę... :zimno
:spoko

alieno - 2015-04-05, 20:09

Spoko Banan nie obrażam się, uwierz mi żę głupio jest mi się pytać o niektóre rzeczy bo zdaje sobie sprawę że dla niektórych to jak pytać się ile jest 2+2. Jak remontowałem moją chatę to można powiedzieć że całą instalacje robiłem od podstaw ale domu wszystko jest łatwiejsze. Masz doprowadzony prąd i z rozdzielni idzie do wszystkiego innego. Tylko co musisz wiedzieć to gdzie jakiego bezpiecznika potrzebujesz i jakiego przekroju kabli a to akurat łatwe. W wanie instalacja na 230v z wykorzystaniem tego Volta jest według mnie łatwa problemy przychodzą z tym 12v. I te przekaźniki ....

Koder: skrzynki montażowe, przekroje przewodów, złączki to akurat jest dość dobrze objaśnione w temacie Kodiego, Jedynie czego nie rozumiem jest to miejsce o którym wspomniałem.

koder - 2015-04-05, 20:15

To jeśli to nie jest to miejsce, o którym pisałem w poście wyżej, to musisz palcem mi pokazać.
Banan - 2015-04-05, 20:19

alieno napisał/a:
W wanie instalacja na 230v z wykorzystaniem tego Volta jest według mnie łatwa problemy przychodzą z tym 12v. I te przekaźniki ....

Pozory właśnie mylą :spoko
Pozostaje mi trzymać kciuki za Twój sukces :ok
Jeszcze jedno: pytaj nawet ile jest 2+2, aby się ustrzec tragedii :spoko

PS
To tylko u mnie w branży:
- co odpowie dobry księgowy, jak go zapytasz ile jest 2+2 ?
.
.
- a ile ma być?

:bigok

koder - 2015-04-05, 20:23

Banan napisał/a:
a ile ma być?

A wcześniej wyjmie baterie z telefonu i zaciągnie żaluzje, hm? ;)

Odnośnie Twoich obaw: wydaje mi się, że Kodi w swoim wątku startował z podobnego poziomu, co Alieno. Więc to jest do ogarnięcia. Ja przypuszczam, że dla kolegi dużą barierą jest nieznajomość symboli stosowanych na schematach - dla Kodiego też na początku robiłem schematy z wykorzystaniem fotek i kolorowych kresek, ale potem przejął to dość fajnego metaformatu, coś pomiędzy schematem elektrycznym, a instrukcją montażową. Sądzę, że i tu damy radę.

Banan - 2015-04-05, 20:42

:szeroki_usmiech

Wiesz, może jestem przewrażliwiony, ale swoje już widziałem :(
Jak się palił samochód, który robił genialny elektryk, czy jak młody chłopak odkręcał klemy akumulatora 120Ah i zapomniał zdjąć do pracy obrączkę...
Żeby nie było ludzi w pobliżu, upalił by sobie palec :roll:

toscaner - 2015-04-05, 21:00

Pewnie obrączka była cienka i podrobiona (o czym nie wiedział), a w tym czasie ktoś rozrusznikiem kręcił i zwarł tą obrączką. No wszytko możliwe.
Banan - 2015-04-05, 21:08

Sprawdź sam i zewrzyj klemy dużego akumulatora przez klucz 13x17 i obrączkę ;)
I ciekawe, co Ci się zaświeci i w jakim czasie... :mrgreen:
Zresztą, nie offtopujmy koledze tematu ;)

toscaner - 2015-04-05, 21:25

Banan napisał/a:
Sprawdź sam i zewrzyj klemy dużego akumulatora przez klucz 13x17 i obrączkę ;)
I ciekawe, co Ci się zaświeci i w jakim czasie... :mrgreen:


Da się. Przecież napisałem i potwierdzam to.
Można też ujemnej nie odkręcić i odkręcać najpierw dodatnią i poprzez klucz i tą nieszczęsną obrączkę zwierać do karoserii.
Tylko jaki debil odkręca tak żeby zwarcie robić? Jak się na prądzie nie zna to niech rowy kopie, albo trawę kosi. Ja się na gazie nie znam, to łap tam nie pcham.
Ale jakby mnie ktoś pokierował jak i co podłączyć, jak sprawdzić szczelność, żebym na 100% był pewien, że ok, to podjąłbym się i gazu.

koder - 2015-04-05, 21:47

toscaner napisał/a:
Jak się na prądzie nie zna to niech rowy kopie, albo trawę kosi.

...czym chyba potwierdzasz tezę Banana. Ale znowu lecimy w offtop. :)

toscaner - 2015-04-05, 21:56

koder napisał/a:
toscaner napisał/a:
Jak się na prądzie nie zna to niech rowy kopie, albo trawę kosi.

...czym chyba potwierdzasz tezę Banana. Ale znowu lecimy w offtop. :)


Nie do końca. Jak się coś robi, to dobrze mieć wiedzę, albo wyobraźnię, albo doświadczonego doradcę. :bigok
Moja kobieta o prądzie mało wie, ale teraz potrafi wymienić akumulator i zwarć nie porobi.

Wszystko zależy od tego jak ktoś czuje się na siłach. Kodi miał i doradców i nie bał się podjąć tego.

klaudynka - 2015-04-05, 22:49

toscaner napisał/a:
toscaner napisał/a:
Moja kobieta o prądzie mało wie, ale teraz potrafi wymienić akumulator i zwarć nie porobi.
Kogo to obchodzi co potrafi twoja kobieta ? Nie zaśmiecaj tematu.
gino - 2015-04-06, 07:49

klaudynka napisał/a:
Kogo to obchodzi co potrafi twoja kobieta

mnie...bo fajna babka :szeroki_usmiech
klaudynka napisał/a:
Nie zaśmiecaj tematu.

no właśnie Klaudynka... no właśnie :chytry

Bronek - 2015-04-06, 07:56

Moje kobiety (paskudne określenie)...... sam uczyłem

:aniolek
Z najbardziej pojętną jestem


To ja skromniś :oops:

ps. Mój Mężczyzna.... brzmi lepiej w ustach kobiety. Nobilituje.

Moja kobieta? jakoś kulturowo może dotykać. co wrażliwsze Panie.... a i Panów.

Ja nie muszę podkreślać. WSZYSTKIE SĄ MOJE tak myślę , .... pozytywnie :mrgreen: :-P

Toscaner strasznie zaśmieca wątki, wg mnie tego co nigdy tak nie pistępuje.

Zauważyłem, że tu sie Pary tworzą.
Jest ich kilka, :mrgreen:
Za warkoczyki piciągnę, a to popchnę go....
Toscaner masz branie!!! .

alieno - 2015-04-06, 11:36

Hejka wszystkim offtopującym. :wyszczerzony:
Mi to nie przeszkadza ewentualnie ktoś kto będzie kiedyś szukał odpowiedzi, pokona dłuższą drogę. Jak już podłączę wszystko i będzie wszystko działać. Założę następny temat z dokładnym opisem poparty zdjęciami jak i co to ktoś będzie miał łatwiej.
Banan :
"To tylko u mnie w branży:
- co odpowie dobry księgowy, jak go zapytasz ile jest 2+2 ?
.
.
- a ile ma być?"
Uśmiałem się ze swoją, jest księgową wiec.....

Koder: Tak o ten punkt mi chodzi, nazwany przeze mnie bardzo zresztą profesjonalnie "skrzyżowaniem kabli" :lol: . Czyli w tym punkcie zwieramy wszystkie +, tak? Czyli przy podłączeniu do słupka Volt będzie mi ładował aku i jednocześnie zasilał światła?

Czy mogę kupić ten przekaźnik, jest to gotowiec z kablami do sterowania który aku ma być ładowany z alternatora. Bardzo popularny tutaj wśród tubylców. Zdaję sobie sprawę że kupienie osobno wszystkiego było by taniej ale tak za parę więcej funciaków jest szybciej. Jest napisane że nie wymaga podłączenia do alternatora tylko bezpośrednio z aku do aku. Pytam bo nie chcę wywalić niepotrzebnie kasy.

http://www.ebay.co.uk/itm...=item3cdba3a28f

toscaner - 2015-04-06, 12:03

Bronek, to co ja poradzę, że niektóre osobniczki (ki?) do mnie ciągną? :niewiem:
Może też by tak chciały, a nie mogą. :haha:

Alieno, zestaw ma ładny przekaźnik, ale reszta ciut licha. Przekaźnik 100A ok, ale kabelki tylko 6 mm2, no i te oczka delikatne. Testowałem takie ale z miedzi i przy 20A już ciepłe. Osobiście bym szukał przekaźnika osobno i kable z metra w hurtowni.
We Włoszech też trudno coś kupić, ale po tygodniu jeżdżenia i szukania znalazłem sklep z elektryką, zamówiłem i przekaźnik mi sprowadził po kolejnym tygodniu. Kable akurat z Polski miałem. 6 mm2 to jak napisali ok. 40A. dla stałego i to by było ok na mały aku, ale planujesz 240Ah, więc za cienkie. Testowałem 12 mm2 i podobne oczka, po 20 min parzyły. Finalnie dałem 25 mm2 i oczka 100A. Gdzieś wstawiałem tu ostatnio fotki.

Banan - 2015-04-06, 12:03

alieno napisał/a:
Uśmiałem się ze swoją, jest księgową wiec.....

No proszę koleżanka z branży :mrgreen:
Cieszę się, że mogłem poprawić Wam humory :lol:

Sorry, ale 38 funciochów za przekaźniczek, kilka kabelków za parę złociszy, trochę drogo... :roll:
http://allegro.pl/przekaz...5041256904.html

toscaner - 2015-04-06, 12:40

Banan napisał/a:
alieno napisał/a:
Uśmiałem się ze swoją, jest księgową wiec.....

No proszę koleżanka z branży :mrgreen:
Cieszę się, że mogłem poprawić Wam humory :lol:

Sorry, ale 38 funciochów za przekaźniczek, kilka kabelków za parę złociszy, trochę drogo... :roll:
http://allegro.pl/przekaz...5041256904.html


Banan, niestety na tych "zachodach" tak już jest. 38£ drogo, ale czasem nie ma alternatywy. :(
No i przy brytyjskiej stawce... no niedrogo.
Nie każdy sprzedawca z allegro chce wysłać za granicę. Ja wysyłam wtedy na polski adres i zbiorczą pakę raz na jakiś czas, ktoś jadąc do nas przy okazji zabiera. Wolniej, ale taniej i "patriotycznie". :mrgreen:

Alieno przekaźnika z aukcji nie polecam, jest na tylko 40A. No chyba, że w szereg z opornicą. Nie dla 240Ah i altka np. 120A.
Dla takiej instalacji jak Twoja min. 70A-100A. Sprawdzone. 70A kupisz w motoryzacyjnym, bo są stosowane w niektórych samochodach. Koszt ok. 8£ max. kilkanaście. Olej to z ebay.

alieno - 2015-04-06, 16:03

Co myślicie o czymś takim?
http://ibs-tech.ch/en/pro...with-uproc.html
Tylko gadżet dla tych co nie mają co robić z kasą czy mogło by być przydatne.
Nie znalazłem nigdzie po polsku, jedna z ciekawszych funkcji to start samochodu z aku pokładowego w razie rozładowania lub uszkodzenia głównego.

toscaner - 2015-04-06, 16:19

No jak nie masz co z kasą robić? :mrgreen:
Ty masz zrobić tak, żeby rozładować pokładowy, a nie rozruchowy. :-P
A jak dasz 25 mm2 kable, to Ci nie potrzebne takie cuda, bo startujesz na takich kablach z palcem, tylko trzeba zrobić hebel (20-30zł?) - bypass na bezpiecznik, bo ci go wywali przy przekręceniu. Koszt całości dodatkowy? No te 20-30zł. :spoko
A sorki, 2 bypassy, bo wypadałoby mieć 2 główne bezpieczniki - przy aku zabudowy i rozruchowym osobno, więc 2 heble. :bigok
Ale po co?
Jakbyś bardzo chciał to 40 - 50 zł (allegro) + opcjonalnie guinness, jak będę w okolicy. :pifko : :pifko2

koder - 2015-04-07, 18:42

Simbus napisał/a:
koder napisał/a:
Masz możliwość może zmierzyć prąd jałowy? Czyli - ile ta przetwornica pobiera z akumulatora, gdy niczego nie zasila.

Nie mam czym, zielonego pojęcia nie mam jak :wyszczerzony:

Dzięki bliskości geograficznej i uprzejmości kolegi Simbusa mam praktyczny pomiar. Niestety, Volt sinus 1500 (moc ciągła 1000W, chwilowa 1500W) pobiera jałowo aż 2.29A. Skąd taka przepaść do Volt sinus 3000? Przypuszczam, że zmiana technologii - albo też poszczególne egzemplarze bardzo się w tej kwestii różnią. Na obecne dane, model 1500 nie nadaje się na użytkowanie ciągłe (przetwornica włączona 24/7), choć na kilka godzin to bez problemu. Model sinus 3000, przypomnę, mimo dwukrotnie większej mocy pobiera jałowo 0.74A, więc ledwo 32% zmierzonego tutaj prądu jałowego. Wszystkie dane z pomiarów praktycznych.

koder - 2015-04-07, 23:36

Przetwornicę do roweru wydzielono do własnego tematu
Johny_Walker - 2015-04-08, 11:34

koder napisał/a:
Volt sinus 1500[/b] (moc ciągła 1000W, chwilowa 1500W) pobiera jałowo aż 2.29A


Czyli gdybym chciał mojego Votronica zastąpić Voltem, to muszę wygospodarować 54Ah na 24 godziny? Na dwa dni trzeba drugi akumulator zabudowy, a na cztery trzeci?
:haha:
Może jednak te Volty nie są takie dobre? Zmieniasz o nich zdanie? :bajer

Bronek - 2015-04-08, 12:09

Nie bronię marki ale 700 zł za 1500W /3000W to dobra cena.
W moim przypadku prąd jałowy mnie nie interesuje, bo przetwornica działa tylko z urządzeniem.

W takim przypadku interesuje mnie tylko "czy wyrabia" pod zadanym obciążeniem.

Waga, cena, gabaryty.

Inna bajka gdyby to był istotny element mojej koncepcji zapewnienia zasilania kampera.

Użyłem jej dwa razy testowo.
Zobaczę czy ta fanaberia w ogóle miała sens.
I tak zabawki kosztowały prawię połowę nowej klimy :roll: :!:

54Ah ekstra, nie całkiem, gdy masz solar., trochę wyrówna ten ubytek.

I sprawa praktyki, nie teorii. Po prostu każdy ma inny bilans energetyczny.

Dlatego spór mnie nie dotyczy,

koder - 2015-04-08, 13:26

Johny_Walker napisał/a:
Czyli gdybym chciał mojego Votronica zastąpić Voltem, to muszę wygospodarować 54Ah na 24 godziny?

Tym konkretnym, tak. Ekstrapolowanie z jednego modelu na drugi, szczególnie gdy dla tego drugiego są dostępne pomiary, jest dziecinne. Wiesz, "byłem w jednym Hymerze i śmierdział ergo wszystkie Hymery śmierdzą, bez sensu kupować śmierdzące badziewie za ciężką kasę" :chory
Johny_Walker napisał/a:
Może jednak te Volty nie są takie dobre? Zmieniasz o nich zdanie?

Ten model 1500 owszem, IPS-3000-S za to jak najbardziej jest dobry. Różnica wynika z innej technologii - zrobiłem małe rozeznanie w temacie.

snix - 2015-09-01, 02:07
Temat postu: szybkie pytanie
Gdzie moge dostac ten 'separator' (ry1) o ktorym mowa w dyskusji? (ten ktory 'przylacza' aku hotelowy podczas gdy pracuje alternator i 'rozlacza' podczas postoju rozruchowy, zeby nie rozladowac)

Na chwile obecna na alledrogo znalazlem tylko to:
http://allegro.pl/izolato...5632515555.html
Aktualnie jestem w Polsce (szczecin) nie ma jakiejs tanszej alternatywy?
Dodam, ze rozwazam hotelowy 62ah (do kupienia po taniosci) a rozruchowy jest wiekszy (przynjmniej wizualnie 2x wiekszy) ;)

zalezy mi na jak najprostrzym podlaczeniu.


Powered by phpBB modified by Przemo © 2003 phpBB Group