 |
|
|
Co kupiłem do kampera |
| Autor |
Wiadomość |
Skorpion
Kombatant Normalny inaczej wariatek stary wyga

Twój sprzęt: Starocie urzadzenie kampero-podobne
Nazwa załogi: Skorpion
Pomógł: 24 razy Dołączył: 17 Lip 2008 Piwa: 280/1363 Skąd: Warszawa
|
Wysłany: 2020-05-13, 19:31
|
|
|
autoDNA
AutoDNA.jpg
|
 |
| Plik ściągnięto 6 raz(y) 332,89 KB |
autoDNA 1.jpg
|
 |
| Plik ściągnięto 8 raz(y) 852,3 KB |
autoDNA 2.jpg
|
 |
| Plik ściągnięto 10 raz(y) 1,08 MB |
autoDNA 3.jpg
|
 |
| Plik ściągnięto 8 raz(y) 1,53 MB |
autoDNA 4.jpg
|
 |
| Plik ściągnięto 9 raz(y) 1,75 MB |
autoDNA 5.jpg
|
 |
| Plik ściągnięto 13 raz(y) 1 MB |
|
_________________
Tadeusz
Byle do przodu
 |
|
|
|
 |
Skorpion
Kombatant Normalny inaczej wariatek stary wyga

Twój sprzęt: Starocie urzadzenie kampero-podobne
Nazwa załogi: Skorpion
Pomógł: 24 razy Dołączył: 17 Lip 2008 Piwa: 280/1363 Skąd: Warszawa
|
Wysłany: 2020-05-13, 19:56
|
|
|
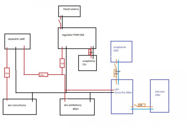
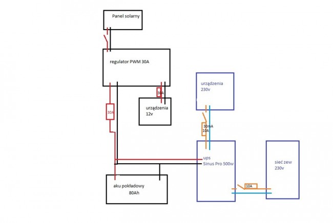
Schemat elektryki w kamperze
Prąd 12V 40A i 30A.jpg
|
 |
| Plik ściągnięto 19 raz(y) 608,48 KB |
instaalcja.png
|
 |
| Plik ściągnięto 13 raz(y) 196,55 KB |
oświetlenie.png
|
 |
| Plik ściągnięto 10 raz(y) 217,08 KB |
Schemat elektryki w kamperze 1.JPG
|
 |
| Plik ściągnięto 14 raz(y) 84,65 KB |
Schemat elektryki w kamperze 2.jpg
|
 |
| Plik ściągnięto 11 raz(y) 65,46 KB |
Schemat elektryki w kamperze 3.jpg
|
 |
| Plik ściągnięto 6 raz(y) 103,32 KB |
wentylatory.png
|
 |
| Plik ściągnięto 11 raz(y) 178,76 KB |
|
_________________
Tadeusz
Byle do przodu
 |
|
|
|
 |
Skorpion
Kombatant Normalny inaczej wariatek stary wyga

Twój sprzęt: Starocie urzadzenie kampero-podobne
Nazwa załogi: Skorpion
Pomógł: 24 razy Dołączył: 17 Lip 2008 Piwa: 280/1363 Skąd: Warszawa
|
Wysłany: 2020-05-13, 20:12
|
|
|
TABBERT POCHODZENIE
Kiedy kulturysta Alfred Tabbert zaprezentował swoją pierwszą karawanę publiczności w 1953 roku, uderzył w nerwy całego pokolenia. Ekonomiczne cuda przyniosły elegancję, finezję i nową pewność siebie, które TABBERT umiejętnie wyrażał w projektach zewnętrznych i wewnętrznych.
DZIŚ
Zasada działania i filozofia założyciela firmy nie zmieniły się do dziś. Siedem różnych wysuwanych przyczep kempingowych ROSSINI, DA VINCI, PEP, VIVALDI, PUCCINI i CELLINI oraz CELLINI obecnie zaspokaja potrzeby klientów w całej Europie. W dzisiejszym centrum kompetencji TABBERT nasi pracownicy rozwijają „karawaning przyszłości”: najwyższą jakość, innowacyjność i design.
Ludzie mogli i chcieli sobie pozwolić na coś. „La Dolce Vita” ukształtowało cały naród. Europa chciała podróżować i żyć. TABBERT stworzył produkty, które ukazały się w wyjątkowej kombinacji materiałów, stylu życia, wysokiej jakości wykonania i praktycznych rozwiązaniach projektowych. Wtedy jak teraz.
1908
Alfred Tabbert widzi światło dzienne. W tym czasie Henry Ford dopiero zaczyna produkować legendarny model T, aż do 1972 roku, najlepiej sprzedający się samochód na świecie.
1923/27
Cały świat jest w gorączce ruchliwości. Także Alfred Tabbert. Uczy się rzemiosła karoserii w Siemens Automotive Works w Berlinie, gdzie zdaje egzamin mistrzowski. (Zdjęcie: City Museum Spandau - Inv.Nr: Fo-251)
1934
Zaledwie kilka lat po mistrzowskim egzaminie rzemieślniczym Alfred Tabbert zakłada swoją pierwszą firmę w Schweinfurt: „Body shop Alfred Tabbert”.
1946
Trzy lata wcześniej, po tym, jak operacja została zniszczona przez bomby, TABBERT produkuje obecnie około 12 ręcznych i rolniczych wagonów z około 80 pracownikami. (Zdjęcie: Stadtarchiv Schweinfurt, kolekcja zdjęć, zdjęcie Kriegszererstörung 368; Bildinformation: Destruction na obszarze Spitalseeplatz, 1944)
1948
Duży pożar niszczy pracę. W procesie tracone są cenne zasoby pamięci masowej. Nowa hala jest budowana pod nazwą firmy „Frankońskie pojazdy i meble”, podczas gdy 120 pracowników produkuje jednoosiowe przyczepy i meble.
1953
45-letni pionier karawan Alfred Tabbert wykonał swoją pierwszą przyczepę kempingową ze 120 pracownikami. Zaledwie dwa lata później do produkcji trafia pierwsza „idealna” karawana.
1955/56
Pierwsze przyczepy są produkowane seryjnie. Na początku lat 60. nastąpiła produkcja pierwszej markizy.
1959
Alfred Tabbert zakłada firmę TABBERT Wohnwagen GmbH. Teraz po raz pierwszy innowacyjne przyczepy kempingowe wysokiej jakości zostaną zbudowane w lokalizacji Mottgers.
1962
Po raz pierwszy Caravan Salon odbywa się w Essen - a Alfred Tabbert jest ze swoją przyczepą od początku. (Zdjęcie: Messe Essen / dpa)
1963
Przyczepy TABBERT otrzymają legendarny dach wentylowany i tak zwany „nos TABBERT”, który do dziś jest cechą stylu TABBERT.
1968
Biznes rozwija się dynamicznie, a dealer karawan rośnie. W pierwszym CARAVAN SALON w Essen (1961) TABBERT, zgodnie z mottem założyciela firmy, zaprezentował „przyczepy kempingowe dla każdego rozmiaru kołnierza - od trzech do trzynastu tysięcy marek” w postaci 14 modeli przyczep kempingowych. Różnorodność, która pomaga również w sprzedaży na skoczniach: Do 1963 roku masz 4000. Dostarczono do TABBERT 10 000 przyczep kempingowych można już sprzedać pod koniec 1964 roku.
1968
Budowa innej hali montażowej i zmiana nazwy na „TABBERT GmbH, & Co. Wohnwagenwerke KG” z 500 pracownikami i rocznym obrotem około 35 milionów DM
1971
Do 1965 r. Oferta produktów wzrosła już do 14 modeli: „Kurfüst”, „Excellence”, „Comtesse” i „Governor” podbijają kraj od Mottgers, aż do 1971 roku, kiedy Alfred Tabbert plasuje się w czołówce niemieckich producentów przyczep kempingowych. Istnieje już 921 pracowników i pracowników. W tym roku wyprodukowano 9,3 tys. Przyczep kempingowych. Udział imponujących 75% wszystkich przyczep kempingowych z osią tandemową sprzedawanych w Niemczech.
1973
Pod koniec lat 60. 25 000. karawana zjechała z linii produkcyjnej. 31 października 1973 roku Alfred Tabbert umiera w mgnieniu oka w trakcie pracy.
2002
250 000. Przyczepa TABBERT jest produkowana, oczywiście zgodnie ze sprawdzoną koncepcją TABBERT Premium. W kolejnych latach wiele modeli otrzyma nagrody. Oprócz Niemiec, około 20 krajów zaopatruje się w przyczepy kempingowe, kampery i autobusy wypoczynkowe „wykonane przez Knaus Tabbert”.
2008
PAGANINI wyznacza standardy w budowie przyczep kempingowych i jest pionierem nowej generacji przyczep kempingowych.
2012
TABBERT GRANDE PUCCINI wykorzystuje nowy proces produkcji.
2013
W 2013 roku marka TABBERT obchodzi swoje 60. urodziny. Z tej okazji firma zostaje uhonorowana „CTJ Milestone 2013” za usługi specjalne na rzecz promocji i dalszego rozwoju turystyki karawaningowej i kempingowej.
Pod koniec września zakończona zostanie także rozbudowana, sześciomilionowa modernizacja produkcji przyczep kempingowych w Mottgerach. Od tego czasu wysokiej jakości przyczepy kempingowe marki premium TABBERT zostały zbudowane na łańcuchu o długości 230 metrów.
2014
Jako pierwszy niemiecki producent w sektorze przyczep kempingowych, TABBERT prezentuje przyczepę z rozsuwanym rozwiązaniem na rok modelowy 2015 z nowym CELLINI SLIDE-OUT.
2015
TABBERT VIVALDI otrzymał nagrodę DCC Security Award 2015 za elektromechaniczny system antypoślizgowy ATC dzięki zgodnemu ze standardem wzornictwu i standardowym wszechstronnym funkcjom bezpieczeństwa.
2018
W celu ponownego połączenia znajomości TABBERT z zaawansowanymi ulepszeniami technicznymi i projektowymi, wprowadzamy odpowiednio ulepszoną serię modeli, w tym całkowicie odnowiony ROSSINI.
|
_________________
Tadeusz
Byle do przodu
 |
|
|
|
 |
Skorpion
Kombatant Normalny inaczej wariatek stary wyga

Twój sprzęt: Starocie urzadzenie kampero-podobne
Nazwa załogi: Skorpion
Pomógł: 24 razy Dołączył: 17 Lip 2008 Piwa: 280/1363 Skąd: Warszawa
|
Wysłany: 2020-05-13, 20:15
|
|
|
TABBERT POCHODZENIE
Kiedy kulturysta Alfred Tabbert zaprezentował swoją pierwszą karawanę publiczności w 1953 roku, uderzył w nerwy całego pokolenia. Ekonomiczne cuda przyniosły elegancję, finezję i nową pewność siebie, które TABBERT umiejętnie wyrażał w projektach zewnętrznych i wewnętrznych.
DZIŚ
Zasada działania i filozofia założyciela firmy nie zmieniły się do dziś. Siedem różnych wysuwanych przyczep kempingowych ROSSINI, DA VINCI, PEP, VIVALDI, PUCCINI i CELLINI oraz CELLINI obecnie zaspokaja potrzeby klientów w całej Europie. W dzisiejszym centrum kompetencji TABBERT nasi pracownicy rozwijają „karawaning przyszłości”: najwyższą jakość, innowacyjność i design.
Ludzie mogli i chcieli sobie pozwolić na coś. „La Dolce Vita” ukształtowało cały naród. Europa chciała podróżować i żyć. TABBERT stworzył produkty, które ukazały się w wyjątkowej kombinacji materiałów, stylu życia, wysokiej jakości wykonania i praktycznych rozwiązaniach projektowych. Wtedy jak teraz.
1908
Alfred Tabbert widzi światło dzienne. W tym czasie Henry Ford dopiero zaczyna produkować legendarny model T, aż do 1972 roku, najlepiej sprzedający się samochód na świecie.
1923/27
Cały świat jest w gorączce ruchliwości. Także Alfred Tabbert. Uczy się rzemiosła karoserii w Siemens Automotive Works w Berlinie, gdzie zdaje egzamin mistrzowski. (Zdjęcie: City Museum Spandau - Inv.Nr: Fo-251)
1934
Zaledwie kilka lat po mistrzowskim egzaminie rzemieślniczym Alfred Tabbert zakłada swoją pierwszą firmę w Schweinfurt: „Body shop Alfred Tabbert”.
1946
Trzy lata wcześniej, po tym, jak operacja została zniszczona przez bomby, TABBERT produkuje obecnie około 12 ręcznych i rolniczych wagonów z około 80 pracownikami. (Zdjęcie: Stadtarchiv Schweinfurt, kolekcja zdjęć, zdjęcie Kriegszererstörung 368; Bildinformation: Destruction na obszarze Spitalseeplatz, 1944)
1948
Duży pożar niszczy pracę. W procesie tracone są cenne zasoby pamięci masowej. Nowa hala jest budowana pod nazwą firmy „Frankońskie pojazdy i meble”, podczas gdy 120 pracowników produkuje jednoosiowe przyczepy i meble.
1953
45-letni pionier karawan Alfred Tabbert wykonał swoją pierwszą przyczepę kempingową ze 120 pracownikami. Zaledwie dwa lata później do produkcji trafia pierwsza „idealna” karawana.
1955/56
Pierwsze przyczepy są produkowane seryjnie. Na początku lat 60. nastąpiła produkcja pierwszej markizy.
1959
Alfred Tabbert zakłada firmę TABBERT Wohnwagen GmbH. Teraz po raz pierwszy innowacyjne przyczepy kempingowe wysokiej jakości zostaną zbudowane w lokalizacji Mottgers.
1962
Po raz pierwszy Caravan Salon odbywa się w Essen - a Alfred Tabbert jest ze swoją przyczepą od początku. (Zdjęcie: Messe Essen / dpa)
1963
Przyczepy TABBERT otrzymają legendarny dach wentylowany i tak zwany „nos TABBERT”, który do dziś jest cechą stylu TABBERT.
1968
Biznes rozwija się dynamicznie, a dealer karawan rośnie. W pierwszym CARAVAN SALON w Essen (1961) TABBERT, zgodnie z mottem założyciela firmy, zaprezentował „przyczepy kempingowe dla każdego rozmiaru kołnierza - od trzech do trzynastu tysięcy marek” w postaci 14 modeli przyczep kempingowych. Różnorodność, która pomaga również w sprzedaży na skoczniach: Do 1963 roku masz 4000. Dostarczono do TABBERT 10 000 przyczep kempingowych można już sprzedać pod koniec 1964 roku.
1968
Budowa innej hali montażowej i zmiana nazwy na „TABBERT GmbH, & Co. Wohnwagenwerke KG” z 500 pracownikami i rocznym obrotem około 35 milionów DM
1971
Do 1965 r. Oferta produktów wzrosła już do 14 modeli: „Kurfüst”, „Excellence”, „Comtesse” i „Governor” podbijają kraj od Mottgers, aż do 1971 roku, kiedy Alfred Tabbert plasuje się w czołówce niemieckich producentów przyczep kempingowych. Istnieje już 921 pracowników i pracowników. W tym roku wyprodukowano 9,3 tys. Przyczep kempingowych. Udział imponujących 75% wszystkich przyczep kempingowych z osią tandemową sprzedawanych w Niemczech.
1973
Pod koniec lat 60. 25 000. karawana zjechała z linii produkcyjnej. 31 października 1973 roku Alfred Tabbert umiera w mgnieniu oka w trakcie pracy.
2002
250 000. Przyczepa TABBERT jest produkowana, oczywiście zgodnie ze sprawdzoną koncepcją TABBERT Premium. W kolejnych latach wiele modeli otrzyma nagrody. Oprócz Niemiec, około 20 krajów zaopatruje się w przyczepy kempingowe, kampery i autobusy wypoczynkowe „wykonane przez Knaus Tabbert”.
2008
PAGANINI wyznacza standardy w budowie przyczep kempingowych i jest pionierem nowej generacji przyczep kempingowych.
2012
TABBERT GRANDE PUCCINI wykorzystuje nowy proces produkcji.
2013
W 2013 roku marka TABBERT obchodzi swoje 60. urodziny. Z tej okazji firma zostaje uhonorowana „CTJ Milestone 2013” za usługi specjalne na rzecz promocji i dalszego rozwoju turystyki karawaningowej i kempingowej.
Pod koniec września zakończona zostanie także rozbudowana, sześciomilionowa modernizacja produkcji przyczep kempingowych w Mottgerach. Od tego czasu wysokiej jakości przyczepy kempingowe marki premium TABBERT zostały zbudowane na łańcuchu o długości 230 metrów.
2014
Jako pierwszy niemiecki producent w sektorze przyczep kempingowych, TABBERT prezentuje przyczepę z rozsuwanym rozwiązaniem na rok modelowy 2015 z nowym CELLINI SLIDE-OUT.
2015
TABBERT VIVALDI otrzymał nagrodę DCC Security Award 2015 za elektromechaniczny system antypoślizgowy ATC dzięki zgodnemu ze standardem wzornictwu i standardowym wszechstronnym funkcjom bezpieczeństwa.
2018
W celu ponownego połączenia znajomości TABBERT z zaawansowanymi ulepszeniami technicznymi i projektowymi, wprowadzamy odpowiednio ulepszoną serię modeli, w tym całkowicie odnowiony ROSSINI.
Alfred Tabbert z 1908 roku.jpg
|
 |
| Plik ściągnięto 11 raz(y) 172,69 KB |
Alfreda Tabberta z 1971 roku.jpg
|
 |
| Plik ściągnięto 11 raz(y) 232,1 KB |
Alfreda Tabberta z 1973 roku.jpg
|
 |
| Plik ściągnięto 8 raz(y) 161,38 KB |
Tabbert P.E.A.T..jpg
|
 |
| Plik ściągnięto 18 raz(y) 191,95 KB |
tabbert (b).jpg
|
 |
| Plik ściągnięto 11 raz(y) 644,49 KB |
|
_________________
Tadeusz
Byle do przodu
 |
| Ostatnio zmieniony przez Skorpion 2020-05-13, 20:26, w całości zmieniany 1 raz |
|
|
|
 |
Skorpion
Kombatant Normalny inaczej wariatek stary wyga

Twój sprzęt: Starocie urzadzenie kampero-podobne
Nazwa załogi: Skorpion
Pomógł: 24 razy Dołączył: 17 Lip 2008 Piwa: 280/1363 Skąd: Warszawa
|
Wysłany: 2020-05-13, 20:17
|
|
|
Historia naszej firmy.
Jesteśmy siłą napędową całej branży - od ponad 80 lat. Knaus Tabbert może pochwalić się ponad 80-letnią historią firmy. To sprawia, że firma jest jednym z pionierów branży kamperów i przyczep kempingowych. Sukces KnausTabbert opiera się na duchu przedsiębiorczości i pomysłowości jego założycieli Helmuta Knausa Seniora i Alfreda Tabberta. Domki rekreacyjne KnausTabbert to wolność, indywidualność i komfort na najwyższym poziomie. Ta obietnica nie zmieniła się od czasu założenia.
1912
W Weinsbergu w Badenii-Weinsbergu ich prace założyli Gustav Alt i Wilhem Schuhmacher.
1934
Założenie TABBERT jako warsztatu blacharskiego w Schweinfurt.
1953
45-letni pionier karawan Alfred Tabbert, zatrudniający 120 pracowników, produkuje pierwszą przyczepę marki TABBERT.
1955/1956
Pierwsze przyczepy kempingowe TABBERT produkowane są seryjnie; Produkcja pierwszej markizy nastąpiła na początku lat sześćdziesiątych.
1959
Alfred Tabbert zaklada firmę TABBERT Wohnwagen GmbH. Teraz po raz pierwszy innowacyjne przyczepy kempingowe wysokiej jakości zostaną zbudowane w lokalizacji Mottgers.
1960
Rozpoczyna się historia sukcesu. Helmut Knaus zakłada KNAUS we frankońskim Marktbreit koło Würzburga.
1961
Produkcja pierwszej przyczepy marki KNAUS; Swallow Nest zostanie zaprezentowany publiczności po raz pierwszy.
1962
KNAUS SÜDWIND i KNAUS MONSUN są prezentowane po raz pierwszy w 1962 roku na targach w Essen.
1969
Pierwszy kamper WEINSBERG widzi światło wielkiego wakacyjnego świata: na podstawie Fiata 238 pojawi się furgonetka, która zmieni profil marki i nawyki podróżne wielu Niemców. „WEINSBERG - mobile with profile” zyska w ciągu najbliższych kilku lat liczne modele na międzynarodowym rynku kempingowym.
1970
W ciągu 12 miesięcy zostanie wybudowana nowa fabryka przyczep kempingowych w Jandelsbrunn. Tutaj produkowane są białe dysze KNAUS.
1971
W 1965 roku asortyment produktów TABBERT wzrósł do 14 modeli. „Kurfüst”, „Exzellenz”, „Comtesse” i „Gouverneur” podbijają kraj od Mottgerów do 1971 roku, kiedy Alfred Tabbert plasuje się w czołówce niemieckich producentów karawan. 31 października 1973 roku Alfred Tabbert umiera w mgnieniu oka w trakcie pracy.
1973
Nagroda za jego odwagę i pionierskiego ducha. Helmut Knaus otrzymuje Federalny Krzyż Zasługi.
1981
Dzięki nowemu wówczas Fiatowi Ducato, WEINSBERG konsoliduje strategię modelu: alkowa Meteor, częściowo zintegrowany Imperiale i kamper Cosmos charakteryzują wyrafinowany krajobraz kempingowy.
1986/1987
TIAG - TABBERT Industrie AG jest wynikiem TABBERT Caravan GmbH, która obejmuje również FFB i CI Wilk Bad Kreuznach GmbH
1988
KNAUS Traveler staje się pierwszym kamperem marki KNAUS i jest bezpośrednio promobilem „Motorhome of the Year”.
1992
Dział karoserii w nadwoziu Weinsberg trafia do Tabbert Industrie AG po Mottgers. Tam ustawiono zakres modeli i Kosmos. Luksusowa w pełni zintegrowana kometa zajmuje miejsce na kempingowym niebie. Otwarcie fabryki TABBERT w Nagyoroszi (Węgry).
1996/2001
Rozpoczęcie współpracy między KNAUS a TABBERT do fuzji w 2001 roku.
2001
Utworzenie marki T@B i prezentacja T@B 320 w Caravan Salon w Dusseldorfie w 2001 roku. Kultowa karawana wkrótce zostanie założona w branży.
2002
Założenie Knaus Tabbert Group GmbH.
2002
250 000. Przyczepa TABBERT jest produkowana, oczywiście zgodnie ze sprawdzoną koncepcją TABBERT Premium. W kolejnych latach wiele modeli otrzyma nagrody. Oprócz Niemiec, około 20 krajów zaopatruje się w przyczepy kempingowe, kampery i autobusy wypoczynkowe „wykonane przez Knaus Tabbert”
2003
Wraz z fuzją KNAUS i TABBERT zmienia się nie tylko właściciel firmy WEINSBERG: jako specjalista terenowy marka otrzymuje unikalny nowy wygląd - a dzięki spektakularnej wnęce na wszystkie koła LEV jest to również imponująca figurka.
2004
KNAUS SUN TI z dużym panoramicznym dachem jest modelem dla całej gamy pojazdów.
2004
Karawana T@B tworzy rekord świata jako najszybszy zespół w Porsche Cayenne z prędkością 230,97 km / h.
2007
Światowa premiera nowej osi tandemowej T@B XL w stylu amerykańskim.
2008
TABBERT PAGANINI wyznacza standardy w budowie przyczep kempingowych i jest pionierem nowej generacji przyczep kempingowych.
2008
WEINSBERG z nowym kierunkiem: dzięki doskonałemu stosunkowi ceny do wydajności i nieskomplikowanej obsłudze nie tylko podążasz za zaletami lat 70,ale docierasz także do młodszych klientów, którzy dopiero odkrywają kemping.
2009
Nabycie Knaus Tabbert przez HTP Investments.
2010/2011
Założenie MORELO Reisemobile GmbH na Górnym Frankonii Schlüsselfeld; W 2011 roku HTP Investments staje się partnerem - przyszłość jest zabezpieczona.
2011
KNAUS SKY I zwiastuje nową generację zintegrowanych kamperów i inspiruje pod względem funkcji i wzornictwa.
2011
Prezentacja T@B White w Caravan Salon w Düsseldorfie.
2013
W 2013 roku marka TABBERT obchodzi swoje 60. urodziny. Z tej okazji firma zostaje uhonorowana „CTJ Milestone 2013” za usługi specjalne na rzecz promocji i dalszego rozwoju turystyki karawaningowej i kempingowej. Pod koniec września zakończona zostanie także rozbudowana, sześciomilionowa modernizacja produkcji przyczep kempingowych w Mottgerach. Od tego czasu wysokiej jakości przyczepy kempingowe marki premium TABBERT zostały zbudowane na łańcuchu o długości 230 metrów.
2015
Po kilku latach bez wkładki wróciliśmy do segmentu luksusowego dzięki KNAUS SUN I.
2015
T@B jest w trzech modelach T@B 320 RS, T@B 320 OffRoad i T@B L 400 TD w zestawach kolorystycznych Mexican Sunset i Metropolis na rynku. W tym roku odbudowana zostanie również kultowa karawana klocków Lego, ustanawiając rekord świata Guinessa.
2016
Z KNAUS TRAVELINO udaje się wielki krok w kierunku innowacyjnej przyszłości: pierwsza przyczepa UltraLight oparta na FibreFrame.
2017
Uruchomienie marki wynajmu RENT AND TRAVEL z 74 stacjami wynajmu w całych Niemczech. Już w maju 2017 r. Kamperów można wygodnie wynająć przez RENT AND TRAVEL we współpracy z BEST Reisen, niezależnymi biurami podróży i ponad 350 partnerami wynajmu.
2017
Pełna integracja MORELO Reisemobile GmbH z marką parasolową Knaus Tabbert.
2017
Dzięki nowej twarzy i wszechstronnej gamie modeli WEINSBERG w końcu wraca na drogę do sukcesu. Dzięki licznym innowacjom, takim jak pakiet CaraKids lub rewelacyjnie udana edycja specjalna CaraCompact EDITION, otwiera drogę do barwnej i ekscytującej przyszłości kempingu.
2017
Powstaje komiksowa postać T@B MAN która pojawia się również jako akt chodzenia na targach.
2017/2018
KNAUS współpracuje z VW i MAN.
2018
TABBERT jest na rynku z siedmioma różnymi przyczepami ROSSINI, DA VINCI, PEP, VIVALDI, PUCCINI i CELLINI oraz CELLINI Slide-Out i obecnie spełnia potrzeby klientów w całej Europie.
2018
RENT AND TRAVEL ma ogólnokrajową obecność w Niemczech. Współpraca obejmuje ponad 120 stacji wynajmu i ponad 1450 wypożyczonych pojazdów.
2019
RENT AND TRAVEL będą międzynarodowe i można je rezerwować od stycznia 2019 r. W Szwecji, Wielkiej Brytanii, Islandii i Austrii.
|
_________________
Tadeusz
Byle do przodu
 |
|
|
|
 |
Skorpion
Kombatant Normalny inaczej wariatek stary wyga

Twój sprzęt: Starocie urzadzenie kampero-podobne
Nazwa załogi: Skorpion
Pomógł: 24 razy Dołączył: 17 Lip 2008 Piwa: 280/1363 Skąd: Warszawa
|
Wysłany: 2020-05-13, 20:19
|
|
|
Knaus Tabbert
Knaus Tabbert GmbH jest ważnym europejskim producentem przyczep kempingowych i przyczep mobilnych. Siedziba firmy znajduje się w Jandelsbrunn (Niemcy). Są też oddziały w Mottgers / Sinntal iw Nagyoroszi (Węgry). Grupa sprzedaje marki Knaus, Tabbert, Wilk, T@B, Bavaria Camp i Weinsberg.
Historia
Knaus Tabbert powstał w 2001 r. W wyniku połączenia Knaus GmbH Jandelsbrunn z dużą częścią Tiag Tabbert Industrie AG, co zaowocowało Knaus Tabbert Group GmbH w następnym roku. W 1934 r. Kulturysta Alfred Tabbert (1908-1973) założył własną firmę w Schweinfurt. Architekt-inżynier Helmut Knaus założył firmę karawanową w Marktbreit w 1960 roku; Obecna fabryka Knaus w Jandelsbrunn została założona w 1970 roku. Helmut Wilk z kolei założył własną firmę w 1952 roku w Bad Kreuznach, która zbudowała swoją pierwszą przyczepę w 1959 roku. Po jego śmierci w 1979 roku firma napotkała trudności. Został przejęty przez Tabbert w 1986 r. A spółka holdingowa Tiag Tabbert-Industrie AG powstała w 1987 r. Został opublikowany w 1990 roku. W 1992 roku przejęła dział budowy pojazdów w Karrosseriewerke Weinsberg GmbH. Tiag przeniósł produkcję do Mottgers / Sinntal, a także zbudował fabrykę na Węgrzech, początkowo tworząc karawany Eifelland na rynek holenderski, a od 1996 r. Nawiązano ścisłą współpracę między Tiag i Knaus, co doprowadziło do fuzji w 2001 r. Jednak w 2008 r. Spółka zbankrutowała. Nabywca został znaleziony w holenderskiej grupie inwestycyjnej HTP Investments. Tylko prawa do marki Eifelland nie zostały przejęte. Produkcja została wznowiona w Jandelsbrunn w dniu 2 marca 2009 r. Firma po raz kolejny osiągnęła szczyt w Europie i osiągnęła obrót w wysokości około 181 milionów euro w 2010 r., Zatrudniając około 1000 pracowników i produkując około 10 400 przyczep kempingowych i kamperów. Knaus Tabbert otrzymał Nagrodę Holendersko-Niemieckiej Gospodarki 2011 [2], coroczną nagrodę przyznawaną przez Holendersko-Niemiecką Izbę Handlową W lipcu 2011 r. Knaus Tabbert przejął bawarskiego producenta samochodów kempingowych Bavaria Camp z Obermeitingen. Następnie Knaus Tabbert zawarł strategiczny sojusz z producentem luksusowych kamperów Morelo Reisemobile GmbH w Schlüsselfeld , ale obie firmy nadal działały niezależnie.
|
_________________
Tadeusz
Byle do przodu
 |
|
|
|
 |
| Wyświetl szczegóły |
 |
DK-Tadeusz
doświadczony pisarz On the road again
Twój sprzęt: Hi-Ace 94 + Dethleffs
Nazwa załogi: On the road again..
Dołączył: 17 Gru 2017 Piwa: 9/16 Skąd: Dania
|
Wysłany: 2020-05-13, 20:22
|
|
|
Bardzo interesujące.!
Pivo. |
_________________ Ą,ą,Ć,ć,Ę,ę,Ł,ł,Ń,ń,Ó,ó,Ś,ś,Ż,ż,Ź,ź € β Δ δ ε η ι κ Λ λ μ Ξ ξ Π π Σ σ ς Φ φ χ Ψ ψ Ω ω |
|
|
|
 |
Wyświetl szczegóły Więcej szczegółów |
Wystawiono 1 piw(a): Skorpion |
 |
|
|
Nie możesz pisać nowych tematów Nie możesz odpowiadać w tematach Nie możesz zmieniać swoich postów Nie możesz usuwać swoich postów Nie możesz głosować w ankietach Nie możesz załączać plików na tym forum Możesz ściągać załączniki na tym forum
|
Dodaj temat do ulubionych Wersja do druku
|
|