 |
|
|
dodatkowe reflektory |
| Autor |
Wiadomość |
dyha
zaawansowany
Pomógł: 1 raz Dołączył: 18 Lis 2007 Piwa: 16/14
|
Wysłany: 2021-01-25, 21:19 dodatkowe reflektory
|
|
|
Zakupiłem w chińskim sklepie lampy LED, chciałbym je zabudować jako dodatkowe oświetlenie przednich reflektorów i tu mam dylemat:
Czy te lampki skoro są LED muszą być włączane poprzez przekażnik? Jeżeli tak to jaki i prosiłbym o jakiś prosty schemacić wpięcia w ten przekażnik.
Włącznik i bezpiecznik na plusie to ogarnę no ale ten przekażnik
Na zdjęciu ten żółty przewód po podpięciu do plusa robi efekt stroboskopu i raczej nie będę go podłączał.
IMG_20210124_113324 (Kopiowanie).jpg
|
 |
| Plik ściągnięto 15 raz(y) 148,77 KB |
|
|
|
|
 |
Socale
Kombatant

Twój sprzęt: W szwagrowej stoi stodole.
Nazwa załogi: Sokale
Pomógł: 72 razy Dołączył: 07 Sty 2012 Piwa: 523/632 Skąd: Gubin
|
Wysłany: 2021-01-25, 21:31 Re: dodatkowe reflektory
|
|
|
| dyha napisał/a: | ...
chciałbym je zabudować jako dodatkowe oświetlenie przednich reflektorów
... |
Nie wolno tak robić. Chyba że chcesz z nich korzystać tylko podczas manewrowania poza drogami publicznymi, ale i tak diagnosta powinien podrzeć/podeptać/spalić DR podczas przeglądu.
LEDy na drogach to już jakaś utopia jest. |
_________________ Staram się pisać poprawnie i zrozumiale.
Do zobaczenia Wojtek i Ewa / Sokale
 |
| |
|
|
|
 |
marek230482
stary wyga

Twój sprzęt: Transit VII Challenger
Pomógł: 2 razy Dołączył: 22 Sty 2020 Piwa: 11/1 Skąd: Strzelin
|
Wysłany: 2021-01-25, 21:37
|
|
|
Pewnie ktoś prędzej czy później tu wspomni o homologacji więc ja wspomnę na wstępie - tak dla porządku. Jeżeli nie mają homologacji to narażasz się na mandat (i ewentualne problemy z ubezpieczycielem w przypadku kolizji). Oczywiście to dość mało prawdopodobne ale dobrze żebyś o tym wiedział.
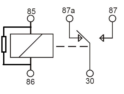
Podłączenie. Proste. Załączam najpopularniejszy schemat przekaźnika. Najpierw decydujesz się co ma je włączać. Drogowe? To bierzesz kabelek i prowadzisz sygnał + od tego światła (lub bezpiecznika, kostki lub cokolwiek). Prowadzisz go przekaźnika na "nogę" nr 85. Druga 86 jest podłączona do masy (gdzieś znajdziesz przy budzie śrubkę). Swój wytypowany sygnał + prowadzisz do nogi nr 30. A noga 87 ma być już podłączona do "plusa" halogenu ledowego. Minus tego halogenu do masy (może być w to samo miejsce co noga 86.
3956792100_1432597098.jpg
|
 |
| Plik ściągnięto 1196 raz(y) 21,14 KB |
|
_________________ Dethleffs Nomad->Transit IV Pilote -> Transit VII Challenger
 |
|
|
|
 |
Socale
Kombatant

Twój sprzęt: W szwagrowej stoi stodole.
Nazwa załogi: Sokale
Pomógł: 72 razy Dołączył: 07 Sty 2012 Piwa: 523/632 Skąd: Gubin
|
Wysłany: 2021-01-25, 23:22
|
|
|
| marek230482 napisał/a: | Pewnie ktoś prędzej czy później tu wspomni o homologacji więc ja wspomnę na wstępie - tak dla porządku. Jeżeli nie mają homologacji to narażasz się na mandat
... |
Nie istnieje homologacja na ledy wspomagające mizerne światła mijania. Jak światła są słabe to trzeba je naprawić za 1-2 tys. a nie montować góvno oświetlające oślepiacze za 19zł.
W dóópie mandat i homologacje gdy nie ma konsekwencji. Policja i diagności też to mają w dóópie.
Ja nie mam. Jak mi napier...la po oczach to walę swoimi długimi w najbardziej nieodpowiednim momencie bo:
Koledzy, światło emitowane w technologii LED koniecznie MUSI być ujarzmione odpowiednią optyczną techniką bo ludzkie oko jeszcze nie ewoluowało do porażenia sztucznie emitowanym światłem jakim jest LED, nie można tak sobie tego światła puszczać na drogę bez kontroli nad jego strumieniem i polem oświetlenia, bo inni przy tym cierpią 10x bardziej niż zysk świetlny szczęśliwego "mondrego kierofcy" z ledami, te buractwo ma to zazwyczaj tak samo głęboko w dóópie jak ci co tego pilnować powinni i jedynie bez uwag kasują 99+1zł.
Tu apeluję: ktoś cię oślepia, włącz długie na 5 sekund przed wyminięciem. To zadziała wobec kierowców myślących
Wiem, to złe jest, ale jednak najlepsze. |
_________________ Staram się pisać poprawnie i zrozumiale.
Do zobaczenia Wojtek i Ewa / Sokale
 |
| |
|
|
|
 |
marek230482
stary wyga

Twój sprzęt: Transit VII Challenger
Pomógł: 2 razy Dołączył: 22 Sty 2020 Piwa: 11/1 Skąd: Strzelin
|
Wysłany: 2021-01-26, 07:43
|
|
|
Masz rację. Ja jednak podejrzewałem, że ten wspomagacz ma być do drogowych a nie mijania. Na mijania żadne lampy "dodatkowe" nie mają homologacji ani odpowiedniego formowania wiązki świetlnej. A do drogowych może mieć takową homologację choć po wyglądzie wnioskuję, że nie ma :P ale to przypuszczenie, może się mylę.
Może też mieć homologację na lampę roboczą i używać jej właśnie jako doświetlanie poza drogami publicznymi. Ale jeżeli nie ma żadnej homologacji to nie może tego nawet powiesić ozdobnie na zderzaku a co dopiero włączać
Na pojeździe dopuszczonym do ruchu po drogach publicznych nie można mieć żadnego źródła światła bez homologacji. Nawet jak go nie używasz. Dla świateł roboczym może tu być rozwiązaniem osłona/pokrywa. |
_________________ Dethleffs Nomad->Transit IV Pilote -> Transit VII Challenger
 |
|
|
|
 |
|
|
Nie możesz pisać nowych tematów Nie możesz odpowiadać w tematach Nie możesz zmieniać swoich postów Nie możesz usuwać swoich postów Nie możesz głosować w ankietach Nie możesz załączać plików na tym forum Możesz ściągać załączniki na tym forum
|
Dodaj temat do ulubionych Wersja do druku
|
|