Klub miłośników turystyki kamperowej - CamperTeam
FAQFAQ  SzukajSzukaj  UżytkownicyUżytkownicy  GrupyGrupy RejestracjaRejestracja  ZalogujZaloguj  AlbumAlbum  Chat  DownloadDownload

Poprzedni temat «» Następny temat
Czy można ładować akumulator bez odłączania z instalacji
Autor Wiadomość
Banan 
Administrator
LIVE TO RIDE - RIDE TO LIVE


Twój sprzęt: Rapido 972M MB 2.9 TD
Nazwa załogi: Bananki
Pomógł: 30 razy
Dołączył: 09 Lis 2010
Piwa: 364/498
Skąd: Bolesławiec
Wysłany: 2021-02-03, 20:10   

BOGI, wszystko OK, ale:
- dlaczego te dwie wiązki są tak okrutnie skręcone?
wyobraź sobie wymianę jednego kabelka, który się upalił
- te dwie listwy, to są rozumiem z bezpiecznikami? i dlaczego dwie?

Centralka elektryczna_foto.jpg
Plik ściągnięto 13 raz(y) 559,09 KB

_________________
Pozdrawiam - Darek
Postaw piwo autorowi tego posta
 
 
papamila 
Kombatant


Twój sprzęt: ROLLER TEAM
Nazwa załogi: papamila
Pomógł: 27 razy
Dołączył: 16 Cze 2007
Piwa: 121/5
Skąd: Trójmiasto i okolica
Wysłany: 2021-02-03, 20:29   

Darek,
to co zaznaczyłeś nie są listwy z bezpiecznikami a listwy połączeniowe tza "jeże" -
bezpieczniki masz w tej skrzynce w prawym dolnym rogu
Postaw piwo autorowi tego posta
 
 
Banan 
Administrator
LIVE TO RIDE - RIDE TO LIVE


Twój sprzęt: Rapido 972M MB 2.9 TD
Nazwa załogi: Bananki
Pomógł: 30 razy
Dołączył: 09 Lis 2010
Piwa: 364/498
Skąd: Bolesławiec
Wysłany: 2021-02-03, 20:58   

papamila napisał/a:
to co zaznaczyłeś nie są listwy z bezpiecznikami a listwy połączeniowe

No mam nadzieję, nie znam tych listew, stąd pytanie. Szczerze, to się trochę przestraszyłem, że bezpieczniki na minusach również :oops:
Bezpieczniki na EB to ja Jarku widzę :szeroki_usmiech
_________________
Pozdrawiam - Darek
Postaw piwo autorowi tego posta
 
 
BOGI 
doświadczony pisarz
BOGI

Twój sprzęt: Weinsberg 601MQH (dawniej JOINT E33)
Dołączył: 25 Paź 2008
Piwa: 4/5
Skąd: Warszawa
Wysłany: 2021-02-03, 22:02   

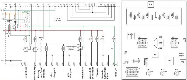
Moi Drodzy. Nie wiam jak, nie wiem kto ale daję słowo, że nie ja wprowadziłem te strzałki i nie ja cokolwiek oznaczyłem na zdjęciu. I tak jestem dumny, że te załączniki się ukazały. Co do skręcenia przewodów, nic nie dotykałem, tak było chyba zrobione w Weinsbergu bo nie czuć tam ręki użytkownika. A dlaczego dwa rzędy bezpieczników, na mękach nie zdradzę, nie wiem dlaczego tak jest, nawet mnie się podoba, że tak uporządkowane to wszystko, ale który do czego kabelek to już nie do mnie. Jedyne co trochę do mnie przemawia to schemat instalacji PC-100 i energobloku DS300. Wydedukowałem, że podłączyli regilator MPPT solara bezpośrednio do śruby A2, a według fabryki powinno być do wtyku oznaczonego "1" w kostce "J05(16)" w energobloku
opisanego "dla regulatora solara". Dosyłam znaleziony w internecie schemat blokowy energobloku CBE DS300 (już potrafię dołączać załączniki, oczywiście te mniejsze niż 2 MB). Z tego schematu wynika, że akumulator silnika A1 jest całkowicie (chyba) oddzielony od instalacji i można go ładować prostownikiem a lepiej ładowarką automatyczną, co zrobiłem raz w praktyce nie mając jeszcze żadnych schematów instalacji, a wyłącznie na tz.czuja. Jak widać było to zgodne z przekazanymi dotąd radami kolegów forumowiczów. Przy okazji dzięki za odzew na ten zapoczątkowany temat jak ładować akumulatory kampera. Myślę, że po wyczerpaniu wiedza ta będzie wszystkim pomocna.

DS300--Blockschaltbild.jpg
Plik ściągnięto 23 raz(y) 107,68 KB

Postaw piwo autorowi tego posta
 
 
Banan 
Administrator
LIVE TO RIDE - RIDE TO LIVE


Twój sprzęt: Rapido 972M MB 2.9 TD
Nazwa załogi: Bananki
Pomógł: 30 razy
Dołączył: 09 Lis 2010
Piwa: 364/498
Skąd: Bolesławiec
Wysłany: 2021-02-03, 22:34   

BOGI napisał/a:
Nie wiam jak, nie wiem kto ale daję słowo, że nie ja wprowadziłem te strzałki i nie ja cokolwiek oznaczyłem na zdjęciu.

Strzałeczki pozwoliłem sobie wprowadzić, na skopiowanym zdjęciu, by pokazać gdzie miałem wątpliwości co do instalacji.
Posądziłem Cię o skręcenie tych kabelków, jak liny bo sądziłem, że to Ty układałeś te kable.
Przepraszam, że tak pochopnie :kwiatki:
Nie powinno się w ten sposób skręcać wiązki! Spina się to jedynie opaskami, dawniej robiło się to wiążąc wiązkę dratwą...
Co do listewek, już wyjaśniliśmy z Papamilą.
Jeżeli potrafisz i masz czas, proponuję rozkręcić te "liny". Z pewnością w przyszłości w razie awarii będzie łatwiej ją zlokalizować i usunąć.
Poniżej przykład, jak powinna prawidłowo wyglądać wiązka kabli, tu co prawda w rozdzielnicy AC, ale zasada jest ta sama.
:spoko

wiązka.jpg
Plik ściągnięto 9 raz(y) 853,16 KB

_________________
Pozdrawiam - Darek
Postaw piwo autorowi tego posta
 
 
BOGI 
doświadczony pisarz
BOGI

Twój sprzęt: Weinsberg 601MQH (dawniej JOINT E33)
Dołączył: 25 Paź 2008
Piwa: 4/5
Skąd: Warszawa
Wysłany: 2021-02-05, 16:27   

Dzięki, a ja uważałem, że tak skręcone przewody są eleganckie, ale to co napisałeś dowodzi, że tak nie jest.
Po przeczytaniu Waszych postów, wydaje się, że rowiązaniem prawidłowym, bez szwanaku na elementy instalacji elektrycznej kampera, jest podpinanie ładowarki akumulatora silnika bez wyjmowania i odłączania klem jedynie do kabla z instalacji 230V a nie z takiego gniazdka w kamperze kiedy podączy się do słupka. Wówczas akumulator silnika jest odłączony od reszty, gdyż podłączenie następuje jedynie po włączeniu stacyjki. Czy ja dobrze kombinuję?...
Postaw piwo autorowi tego posta
 
 
Banan 
Administrator
LIVE TO RIDE - RIDE TO LIVE


Twój sprzęt: Rapido 972M MB 2.9 TD
Nazwa załogi: Bananki
Pomógł: 30 razy
Dołączył: 09 Lis 2010
Piwa: 364/498
Skąd: Bolesławiec
Wysłany: 2021-02-05, 18:13   

BOGI napisał/a:
Wówczas akumulator silnika jest odłączony od reszty, gdyż podłączenie następuje jedynie po włączeniu stacyjki. Czy ja dobrze kombinuję?...

BOGI, jeżeli chodzi o układ elektryczny samochodu to tak, zgadza się, akumulator jest odłączany kluczykiem. Ale w kamperach jest to trochę inaczej - masz nawet na schemacie PC-100 dwa akumulatory B1 (samochodowy) B2 (nadwozia)
Po podłączeniu kampera do sieci 230V powinny być ładowane obydwa - w pierwszej kolejności B2, po naładowaniu, automatycznie ładowany powinien być B1.
Teoretycznie nie ma potrzeby używać dodatkowej ładowarki, chyba, że jest jakieś uszkodzenie, bądź akumulator nadwoziowy z różnych przyczyn nie jest doładowany. To należało by sprawdzić.
_________________
Pozdrawiam - Darek
Postaw piwo autorowi tego posta
 
 
BOGI 
doświadczony pisarz
BOGI

Twój sprzęt: Weinsberg 601MQH (dawniej JOINT E33)
Dołączył: 25 Paź 2008
Piwa: 4/5
Skąd: Warszawa
Wysłany: 2021-02-05, 21:03   

Dzięki "Banan", jest tak jak napisałeś, jednak aby naładować akumulator silnika, Varta 95 Ah musiałbym mieć ładowanie ze słupka z tydzień moją ładowarką lidlowską 3,8 A max. A ja mam możliwość podpiąć się na dobę czy dwie. Akumulator B2 (wnętrza) jako-tako się naładuje solarem ale silnika jest albo słabo albo wcale nie ładowany. Jedynie jest ładowany alternatorem przy pracującym silniku w czasie jazdy. Dlatego szukam prawidłowego i niezależnego sposobu szybkiego naładowania a nawet reperacji w trybie impulsowym ładowarki, a to już chwilowe uderzenia w instalację prądem 16,0V i tego się obawiam, chociaż wytłumaczono mnie, że nic nie powinno się dziać przy takich impulsach w energobloku. Na wszelki wypadek jednak kombinuję aby odciąć się od tej instalacji dla spokoju własnego. Już raz zepsułem energoblok w poprzednim kamperze, gdyż żle podłączyłem przetwornicę i musiałem kupić nową włoskiej firmy za kilkaset złoty, bo i koszt sprowadzenia do kraju. Stąd moje przeczulenie może przesadne.
Pozdrawiam serdecznie
Postaw piwo autorowi tego posta
 
 
Wyświetl posty z ostatnich:   
Odpowiedz do tematu
Nie możesz pisać nowych tematów
Nie możesz odpowiadać w tematach
Nie możesz zmieniać swoich postów
Nie możesz usuwać swoich postów
Nie możesz głosować w ankietach
Nie możesz załączać plików na tym forum
Możesz ściągać załączniki na tym forum

Dodaj temat do ulubionych
Wersja do druku

Skocz do:  

Powered by phpBB modified by Przemo © 2003 phpBB Group
*** Facebook/CamperTeam ***