Klub miłośników turystyki kamperowej - CamperTeam
FAQFAQ  SzukajSzukaj  UżytkownicyUżytkownicy  GrupyGrupy RejestracjaRejestracja  ZalogujZaloguj  AlbumAlbum  Chat  DownloadDownload

Poprzedni temat «» Następny temat
Dziwny kamper challenger - przekaźnik, brak spustu wody, itd
Autor Wiadomość
koko 
Kombatant


Twój sprzęt: CARTHAGO C-LINE 4.8 I
Pomógł: 9 razy
Dołączył: 19 Sty 2007
Piwa: 71/31
Skąd: Radom
Wysłany: 2021-02-15, 10:07   

na prostowniku jest przycisk (świecący) wciśnięty jest ładowanie wyciśnięty brak taki prostownik stosuje nowe Carthago to nie może być lipa
_________________
KoKo
Piszę tylko merytorycznie.
Mądrzy ludzie wiedzą przed a nie po
Postaw piwo autorowi tego posta
 
 
EwaMarek 
Kombatant
Marek


Twój sprzęt: Kamper PLA na Fiacie i budka LMC
Nazwa załogi: Marek, Ewa, córki Wiktoria i Gabriela
Pomógł: 6 razy
Dołączył: 27 Mar 2007
Piwa: 25/13
Skąd: Czołowo / Koło
Wysłany: 2021-02-15, 10:21   

Nie czepiam się prostownika tylko braku centrali sterującej ładowaniem akumulatorów.

Jak pisałem wcześniej 230 ładuje tylko zabudowy. Z samochodu ładuje oba. W innych kamperach zawsze ładowało oba obojętnie które źródło ładowania.
_________________
Pozdrawiam
Marek

Moje kampery
BURSTNER 90r, 91r, CHAUSSON 2008 i kempingi Hobby 90r, Dethleffs 2002r
Aktualnie kamper PLA 2014 kemping LMC 770 2010r
Postaw piwo autorowi tego posta
 
 
Darek Szczecin 
Kombatant

Twój sprzęt: JUMPER BLACK 205PS, VW T5 4Motion Seikel
Nazwa załogi: Darek&Anita&Maja
Pomógł: 6 razy
Dołączył: 08 Wrz 2014
Piwa: 113/163
Skąd: Szczecin
Wysłany: 2021-02-15, 11:27   

EwaMarek napisał/a:
Nie czepiam się prostownika tylko braku centrali sterującej ładowaniem akumulatorów.

Jak pisałem wcześniej 230 ładuje tylko zabudowy. Z samochodu ładuje oba. W innych kamperach zawsze ładowało oba obojętnie które źródło ładowania.


z twoich fotek wynika że jest tam zastosowany elektroblok CBE PC 100 Miałem taki w Panzerkampie i ze słupka ładowało oba Aku, fakt nie miałem tego dodatkowego separatora przekaźnik łączący aku jest w elektrobloku, też tworze nowego kameprka i również będę stosował PC100 sprawdzę wszystko jak już podepnę i dam znać,
Co do jakości zabudów firmowych to mam takie samo zdanie jak ty, pomagałem koledze w naprawie kampervana znanej marki auto 3 letnie gnił mu już sufit :shock:
generalnie dykta, gówno sklejka i wiadro wkrętów , surowy materiał drewniany nie zabezpieczony nawet jakimś lakierem najtańszym, wrażenie takie jak ty opisujesz ma wytrzymać do końca gwarancji pod warunkiem że garażowany i używany tylko latem :spoko
Postaw piwo autorowi tego posta
 
 
suzu4x4 
stary wyga


Twój sprzęt: Kamper
Pomógł: 1 raz
Dołączył: 07 Wrz 2019
Piwa: 15/1
Skąd: Wrocław
Wysłany: 2021-02-15, 13:31   

w tym wszystkim smutne jest to że ceny nowych kamperów budżetowych marek nierzadko przekraczają już 300tyś pln.
w 2019 r kolega kupił nowego blaszaka ADRII za ok 200tyś dziś najtańszy na otomoto - 365 tyś . masakra.

Screenshot_2021-02-15 Adria dostawcze - otomoto pl.png
Plik ściągnięto 8 raz(y) 457,33 KB

Postaw piwo autorowi tego posta
 
 
koko 
Kombatant


Twój sprzęt: CARTHAGO C-LINE 4.8 I
Pomógł: 9 razy
Dołączył: 19 Sty 2007
Piwa: 71/31
Skąd: Radom
Wysłany: 2021-02-15, 13:54   

U mnie jest tak że ładuje obydwa z tym że po 14 dniach takiego ładowania należy rozłączyć seperatorem aku samoćhodowy tłumaczyli mi że można nie odjechać
_________________
KoKo
Piszę tylko merytorycznie.
Mądrzy ludzie wiedzą przed a nie po
Postaw piwo autorowi tego posta
 
 
EwaMarek 
Kombatant
Marek


Twój sprzęt: Kamper PLA na Fiacie i budka LMC
Nazwa załogi: Marek, Ewa, córki Wiktoria i Gabriela
Pomógł: 6 razy
Dołączył: 27 Mar 2007
Piwa: 25/13
Skąd: Czołowo / Koło
Wysłany: 2021-02-15, 14:01   

Darek Szczecin, masz jakiś schemat - może ten energoblok ma cos walnięte ...

tylko po co te przekaźniki dodatkowo?
_________________
Pozdrawiam
Marek

Moje kampery
BURSTNER 90r, 91r, CHAUSSON 2008 i kempingi Hobby 90r, Dethleffs 2002r
Aktualnie kamper PLA 2014 kemping LMC 770 2010r
Postaw piwo autorowi tego posta
 
 
Darek Szczecin 
Kombatant

Twój sprzęt: JUMPER BLACK 205PS, VW T5 4Motion Seikel
Nazwa załogi: Darek&Anita&Maja
Pomógł: 6 razy
Dołączył: 08 Wrz 2014
Piwa: 113/163
Skąd: Szczecin
Wysłany: 2021-02-15, 14:16   

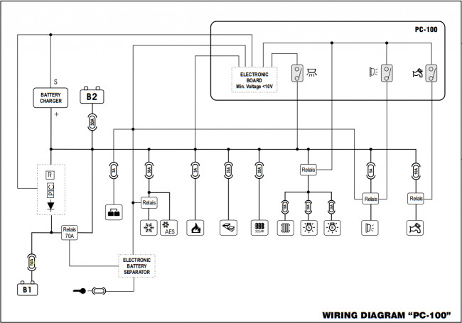
tak miałem połączone jak na schemacie zero dodatkowych przekaźników teraz tak samo robię, nie wiem jak jest w przypadku gdy na pokładzie jest lodówka absorpcyjna , bo nigdy nie miałem i tam jest jakiś podobny myk ja na twoim foto co by zasilanie grzałki 12V było możliwe tylko po odpaleniu auta.
Generalnie PC 100 ładuje akku oba ze słupka i z alternatora i tak jest w instrukcji tego urządzenia bez dodatkowych przekaźników,
ja bym szukał przyczyny od strony pinu który otrzymuje sygnał że ładowarka ładuje i to powoduje podpięcie akku rozruchowego. schematów w sieci jest opór :spoko


chche o tu walczyłem z tym tematem jak bylem młody i piękny, teraz tylko piękny :szeroki_usmiech
https://www.camperteam.pl...9059dfc89b36bfc

t_installation_pc100_cbe_184.jpg
Plik ściągnięto 14 raz(y) 55,77 KB

t_pc100_123.png
Plik ściągnięto 9 raz(y) 117,42 KB

  
Postaw piwo autorowi tego posta
 
 
Wyświetl szczegóły
EwaMarek 
Kombatant
Marek


Twój sprzęt: Kamper PLA na Fiacie i budka LMC
Nazwa załogi: Marek, Ewa, córki Wiktoria i Gabriela
Pomógł: 6 razy
Dołączył: 27 Mar 2007
Piwa: 25/13
Skąd: Czołowo / Koło
Wysłany: 2021-02-15, 15:21   

Dzięki - będę szukał
_________________
Pozdrawiam
Marek

Moje kampery
BURSTNER 90r, 91r, CHAUSSON 2008 i kempingi Hobby 90r, Dethleffs 2002r
Aktualnie kamper PLA 2014 kemping LMC 770 2010r
Postaw piwo autorowi tego posta
 
 
EwaMarek 
Kombatant
Marek


Twój sprzęt: Kamper PLA na Fiacie i budka LMC
Nazwa załogi: Marek, Ewa, córki Wiktoria i Gabriela
Pomógł: 6 razy
Dołączył: 27 Mar 2007
Piwa: 25/13
Skąd: Czołowo / Koło
Wysłany: 2021-02-15, 15:27   

koko, czyli jest cos nie tak - poszli chyba na łatwiznę w Twoim kamperze...
Ja nawet na kilka miesięcy mam podłączonego kamera do 230v i nigdy nie było problemów.

No może poza jakimś modułem właśnie w tej centralce ale w Chausonie. Odpaliłem przy podłączonym do 230v i cos się zwarło - musiałem wymieniać płytkę główną. Kupiłem wtedy od Dunina chyba...

Od tego czasu zawsze rozłączam sie z prądu zanim odpalę auto :-)
_________________
Pozdrawiam
Marek

Moje kampery
BURSTNER 90r, 91r, CHAUSSON 2008 i kempingi Hobby 90r, Dethleffs 2002r
Aktualnie kamper PLA 2014 kemping LMC 770 2010r
Postaw piwo autorowi tego posta
 
 
kaimar 
weteran
kaimar


Twój sprzęt: MOBILVETTA LAIKA CARADO RT GiottiLine
Nazwa załogi: MTM Campery
Pomógł: 17 razy
Dołączył: 03 Lut 2007
Piwa: 89/3
Skąd: Czechowice-Dziedzice
Wysłany: 2021-02-15, 15:43   

suzu4x4 napisał/a:
w tym wszystkim smutne jest to że ceny nowych kamperów budżetowych marek nierzadko przekraczają już 300tyś pln

Nie jest tak źle. Ja mam w ofercie blaszaki Giottivan marki Giottiline z grupy Rapido w cenie brutto z akcyzą na poziomie 48.000eu co daje przy kursie 4.5 cenę w złotówkach na poziomie 216.000 zł.
Niestety trzeba trochę na takiego poczekać....
_________________
www.camperymtm.pl
www.kamperownia.pl
Postaw piwo autorowi tego posta
 
 
koko 
Kombatant


Twój sprzęt: CARTHAGO C-LINE 4.8 I
Pomógł: 9 razy
Dołączył: 19 Sty 2007
Piwa: 71/31
Skąd: Radom
Wysłany: 2021-02-16, 19:05   

Ja też nigdy nie miałem problemów a teraz zamontowali przełącznik dużej mocy z opisem że po 14 dniach podłączenia do słupka przestawić na ZERO .Coś mi tłumaczył w Elkampie że można rozładować
aku samochodowy
może na zimne dmuchają bo wszystkie nowe tak mają
_________________
KoKo
Piszę tylko merytorycznie.
Mądrzy ludzie wiedzą przed a nie po
Postaw piwo autorowi tego posta
 
 
papamila 
Kombatant


Twój sprzęt: ROLLER TEAM
Nazwa załogi: papamila
Pomógł: 27 razy
Dołączył: 16 Cze 2007
Piwa: 121/5
Skąd: Trójmiasto i okolica
Wysłany: 2021-02-16, 20:01   

EwaMarek,
wszystko jest OK,
nic nie jest walnięte
wiele kamperów tak ma fabrycznie jak opisałeś.
ze słupka tylko zabudowa, z alternatora - oba
( a tu z uwagi na prądy realizowane jest to przekaźnikiem)
Postaw piwo autorowi tego posta
 
 
suzu4x4 
stary wyga


Twój sprzęt: Kamper
Pomógł: 1 raz
Dołączył: 07 Wrz 2019
Piwa: 15/1
Skąd: Wrocław
Wysłany: 2021-02-16, 20:38   

kaimar napisał/a:
(...)
Niestety trzeba trochę na takiego poczekać....


nikt nie spodziewał się takiego obrotu rzeczy. bum na kampery spowodowany przez covid, znacznie wydłużył czas oczekiwania bo pewnie fabryki nie były na to gotowe ale zapewne zacierają ręce bo tylu zamówień jeszcze nigdy nie mieli.
Postaw piwo autorowi tego posta
 
 
kaimar 
weteran
kaimar


Twój sprzęt: MOBILVETTA LAIKA CARADO RT GiottiLine
Nazwa załogi: MTM Campery
Pomógł: 17 razy
Dołączył: 03 Lut 2007
Piwa: 89/3
Skąd: Czechowice-Dziedzice
Wysłany: 2021-02-17, 09:17   

suzu4x4 napisał/a:
nikt nie spodziewał się takiego obrotu rzeczy. bum na kampery spowodowany przez covid, znacznie wydłużył czas oczekiwania bo pewnie fabryki nie były na to gotowe ale zapewne zacierają ręce bo tylu zamówień jeszcze nigdy nie mieli.


W tym roku nie jest tak różowo. W tej chwili Fiat faktycznie wstrzymał dostawy podwozi pod kampery. Hymer musiał anulować ponad 1000 zamówień na kampery, Rapido około 700 sztuk.
Dotyczy to wielu producentów samochodów (fabryki Volkswagena pracują na pół gwizdka.)
A wszystko przez braki specjalizowanych układów scalonych z Chin.
_________________
www.camperymtm.pl
www.kamperownia.pl
Postaw piwo autorowi tego posta
 
 
Darek Szczecin 
Kombatant

Twój sprzęt: JUMPER BLACK 205PS, VW T5 4Motion Seikel
Nazwa załogi: Darek&Anita&Maja
Pomógł: 6 razy
Dołączył: 08 Wrz 2014
Piwa: 113/163
Skąd: Szczecin
Wysłany: 2021-02-17, 10:47   

papamila napisał/a:
EwaMarek,
wszystko jest OK,
nic nie jest walnięte
wiele kamperów tak ma fabrycznie jak opisałeś.
ze słupka tylko zabudowa, z alternatora - oba
( a tu z uwagi na prądy realizowane jest to przekaźnikiem)


Dziwne, przecież to jest CBE PC100 i normalnie ładował mi ze słupka oba akku, przekaźnik jest na płycie, nie miałem nic dodatkowego motane

w manualu opis wtyka nr18 pin2 sygnał z ładowarki S z ładowarki CBE

Bateria B1 Car batery ładowana jest prądem max 2A priorytet ładowan ma B2 bateria zabudowy

Robię teraz auto też na PC 100 jak zepnę prądy to dam znać czy jest jak było wcześniej :spoko
  
Postaw piwo autorowi tego posta
 
 
Wyświetl posty z ostatnich:   
Odpowiedz do tematu
Nie możesz pisać nowych tematów
Nie możesz odpowiadać w tematach
Nie możesz zmieniać swoich postów
Nie możesz usuwać swoich postów
Nie możesz głosować w ankietach
Nie możesz załączać plików na tym forum
Możesz ściągać załączniki na tym forum

Dodaj temat do ulubionych
Wersja do druku

Skocz do:  

Powered by phpBB modified by Przemo © 2003 phpBB Group
*** Facebook/CamperTeam ***