 |
|
|
Instalacja drugiego akumulatora AGM oraz ładowanie go.... |
| Autor |
Wiadomość |
alieno
początkujący forumowicz
Twój sprzęt: Vivaro
Dołączył: 29 Mar 2015
|
Wysłany: 2015-03-29, 16:38 Instalacja drugiego akumulatora AGM oraz ładowanie go....
|
|
|
Witam wszystkich.
Zakupiłem Vivaro około miesiąca temu z zamiarem przeróbki na kampera. Pomysł jest wynikiem znudzenia jednodniowymi wyjazdami w okolice mojego obecnego zamieszkania, północna Walia. Jest tu naprawdę co zwiedzać, zdecydowanie polecam lecz jak masz coś na wyciagniecie dłoni przestajesz to doceniać i chcesz więcej. Przyszła pora na Szkocje, Cornwalie a to już eskapady co najmniej na 3dni. Tak narodził się pomysł zakupu Vana.
Zakupiłem typowego krótkiego dostawczaka, wstawiłem dwa okna i na chwilę obecną pogłębiam wiedzę a jest co bo jestem laikiem i w mechanice samochodowej oraz w elektryce ogólnej.
Wydaję się że już większość wiem przynajmniej w teorii.
Moje pytanie do bardziej zaawansowanych posiadaczy i nie tylko. Czy jak zakupię Exide EP2100 AGM Dual Purpose 12V 240Ah to będę mógł doładowywać go poprzez system solarów oraz alternator. Chodzi mi o podłączenie równocześnie solara 100w oraz alternatora do regulatora ładowania który bedzie podłączony do akumulatora. Jężeli to możliwe to może wiecie jaki regulator? 2gie pytanie czy do tego wszystkiego jeszcze mógł bym ładować ten sam akumulator z 230v jak bym zatrzymał sie na kamperparku.
Sorry za przynudzanie...
Będę wdzięczny za wszystkie uwagi, schematy, linki itd... |
|
|
|
 |
Skorpion
Kombatant Normalny inaczej wariatek stary wyga

Twój sprzęt: Starocie urzadzenie kampero-podobne
Nazwa załogi: Skorpion
Pomógł: 24 razy Dołączył: 17 Lip 2008 Piwa: 280/1362 Skąd: Warszawa
|
Wysłany: 2015-03-29, 16:47
|
|
|
Witam witam |
_________________
Tadeusz
Byle do przodu
 |
|
|
|
 |
grzegorzalex
weteran

Twój sprzęt: Fiat Ducato
Nazwa załogi: Grzegorz i Marzena
Pomógł: 3 razy Dołączył: 29 Gru 2013 Piwa: 38/19 Skąd: Opalenica
|
Wysłany: 2015-03-29, 16:54
|
|
|
Witam
Będziesz mógł lądować solarem i alternatorem. Po zastosowaniu ładowarki na 230 będziesz mógł lądować na kempingach.
Uważam ze solar o mocy 100 W, to trochę za słaby do akumulatora o mocy 240 Ah oczywiście ten solar będzie ładował, ale naładowanie na ful, zajmie mu sporo czasu. |
_________________ Pozdrawiamy Marzena i Grzegorz
 |
|
|
|
 |
Banan
Administrator LIVE TO RIDE - RIDE TO LIVE

Twój sprzęt: Rapido 972M MB 2.9 TD
Nazwa załogi: Bananki
Pomógł: 30 razy Dołączył: 09 Lis 2010 Piwa: 364/498 Skąd: Bolesławiec
|
Wysłany: 2015-03-29, 16:59
|
|
|
Cześć
Do pełni szczęścia potrzebujesz coś takiego - zwane elektroblokiem(energoblokiem w zależności od źródła)
http://allegro.pl/elektro...5202157576.html
Sprzedawca jest naszym forumowym kolegą i możesz śmiało dzwonić, pomoże
Musisz oczywiście dopasować to do pojemności akumulatora.
|
_________________ Pozdrawiam - Darek
 |
|
|
|
 |
koder
Kombatant (statystycznie)

Twój sprzęt: Szara Furia (Hilux '20 + zabudowa w trakcie)
Pomógł: 18 razy Dołączył: 10 Lis 2010 Piwa: 188/87 Skąd: Będzin
|
Wysłany: 2015-03-29, 18:56
|
|
|
| Banan napisał/a: | | Do pełni szczęścia potrzebujesz coś takiego - zwane elektroblokiem(energoblokiem w zależności od źródła) |
Nie mogę się doczytać, co ten konkretny energoblok zawiera. Masz jakieś informacje? Widzę sondy wody szarej i białej, bezpieczniki, pomiar napięcia akumulatorów. Poza tym co jest? Podłączenie alternatora, prostownik, przetwornica, regulator? Brakuje mi podstawowych parametrów (zawartych komponentów, mocy przetwornicy i prostownika, technologii regulatora), żeby się merytorycznie wypowiedzieć :/ |
_________________
 |
|
|
|
 |
Banan
Administrator LIVE TO RIDE - RIDE TO LIVE

Twój sprzęt: Rapido 972M MB 2.9 TD
Nazwa załogi: Bananki
Pomógł: 30 razy Dołączył: 09 Lis 2010 Piwa: 364/498 Skąd: Bolesławiec
|
Wysłany: 2015-03-29, 19:07
|
|
|
| koder napisał/a: | | Podłączenie alternatora, prostownik, przetwornica, regulator? Brakuje mi podstawowych parametrów (zawartych komponentów, mocy przetwornicy i prostownika, technologii regulatora), żeby się merytorycznie wypowiedzieć :/ |
Energoblok chyba do tego służy
Jak widać na załączonym obrazku model PC 100 - jak nie trudno wywnioskować, model do akumulatorów do 100Ah.
Są jeszcze modele PC 200 i PC 220 do większych akumulatorów.
Mogę się mylić, ale podany jest telefon do wsparcia technicznego.
|
_________________ Pozdrawiam - Darek
 |
|
|
|
 |
grzegorzalex
weteran

Twój sprzęt: Fiat Ducato
Nazwa załogi: Grzegorz i Marzena
Pomógł: 3 razy Dołączył: 29 Gru 2013 Piwa: 38/19 Skąd: Opalenica
|
Wysłany: 2015-03-29, 19:14
|
|
|
Ja mam zainstalowany dokładnie ten zestaw jest wszystko, co potrzeba.
Nie słyszałem takiej informacji, aby był tylko do 100 Ah akumulatora |
_________________ Pozdrawiamy Marzena i Grzegorz
 |
|
|
|
 |
grzegorzalex
weteran

Twój sprzęt: Fiat Ducato
Nazwa załogi: Grzegorz i Marzena
Pomógł: 3 razy Dołączył: 29 Gru 2013 Piwa: 38/19 Skąd: Opalenica
|
Wysłany: 2015-03-29, 19:17
|
|
|
| Banan napisał/a: | | koder napisał/a: | | Podłączenie alternatora, prostownik, przetwornica, regulator? Brakuje mi podstawowych parametrów (zawartych komponentów, mocy przetwornicy i prostownika, technologii regulatora), żeby się merytorycznie wypowiedzieć :/ |
Energoblok chyba do tego służy
Jak widać na załączonym obrazku model PC 100 - jak nie trudno wywnioskować, model do akumulatorów do 100Ah.
Są jeszcze modele PC 200 i PC 220 do większych akumulatorów.
Mogę się mylić, ale podany jest telefon do wsparcia technicznego.
|
Energloblok jest taki sam PC 200 i PC 220 z tego co wiem, to różnią się tylko panelem sterowania i oczywiście cena.
Sam teraz zmieniam na Panel PC 320, to jest najnowszy
http://www.cbe.it/en/node/871 |
_________________ Pozdrawiamy Marzena i Grzegorz
 |
|
|
|
 |
Banan
Administrator LIVE TO RIDE - RIDE TO LIVE

Twój sprzęt: Rapido 972M MB 2.9 TD
Nazwa załogi: Bananki
Pomógł: 30 razy Dołączył: 09 Lis 2010 Piwa: 364/498 Skąd: Bolesławiec
|
|
|
|
 |
koder
Kombatant (statystycznie)

Twój sprzęt: Szara Furia (Hilux '20 + zabudowa w trakcie)
Pomógł: 18 razy Dołączył: 10 Lis 2010 Piwa: 188/87 Skąd: Będzin
|
Wysłany: 2015-03-29, 19:34
|
|
|
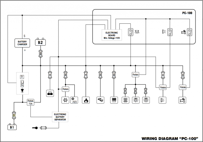
Tak patrzę na tego PC100 i trochę mi tu brakuje funkcji, których oczekiwałbym od energobloku. Z tego co widzę, to zawiera (za stroną producenta):
- tester poziomu akumulatorów (dwóch)
- czujnik poziomu wody białej (w energobloku?)
- przełączniki od świateł, pompy wody, oświetlenia zewnętrznego, lodówki
- przekaźnik do łączenia baterii (do ładowania z alternatora)
- skrzynkę bezpieczników
- zabezpieczenie przed nadmiernym rozładowaniem akumulatora
- prostownik 10A (150W)
- bezpieczniki
Brakuje mi w tym przetwornicy i całego układu obsługi 230V przy podpięciu do "słupka". Brak regulatora jest w zasadzie normą. |
_________________
 |
|
|
|
 |
Banan
Administrator LIVE TO RIDE - RIDE TO LIVE

Twój sprzęt: Rapido 972M MB 2.9 TD
Nazwa załogi: Bananki
Pomógł: 30 razy Dołączył: 09 Lis 2010 Piwa: 364/498 Skąd: Bolesławiec
|
Wysłany: 2015-03-29, 19:44
|
|
|
| koder napisał/a: | | Brakuje mi w tym przetwornicy i całego układu obsługi 230V przy podpięciu do "słupka". Brak regulatora jest w zasadzie normą. |
Można mieć nadzieję, że to zostało pominięte ze względu na oczywistą oczywistość funkcjonalności 230V
Duni będzie wiedział na 100% |
_________________ Pozdrawiam - Darek
 |
|
|
|
 |
koder
Kombatant (statystycznie)

Twój sprzęt: Szara Furia (Hilux '20 + zabudowa w trakcie)
Pomógł: 18 razy Dołączył: 10 Lis 2010 Piwa: 188/87 Skąd: Będzin
|
Wysłany: 2015-03-29, 20:16
|
|
|
No więc dobrze, wróćmy do kontekstu pytania:
| alieno napisał/a: | | Czy jak zakupię Exide EP2100 AGM Dual Purpose 12V 240Ah to będę mógł doładowywać go poprzez system solarów oraz alternator. Chodzi mi o podłączenie równocześnie solara 100w oraz alternatora do regulatora ładowania który bedzie podłączony do akumulatora. Jężeli to możliwe to może wiecie jaki regulator? 2gie pytanie czy do tego wszystkiego jeszcze mógł bym ładować ten sam akumulator z 230v jak bym zatrzymał sie na kamperparku. |
Żeby zapewnić te funkcje, konieczne są następujące komponenty:
1) Regulator ładowania (MPPT lub PVM, o mocy dobranej do rodzaju paneli) - do ładowania akumulatorów z panela słonecznego. Koszt od 100 do 800zł.
2) Prostownik - do ładowania przy dostępności 230V. Moc należy dobrać do pojemności akumulatora. Cena ~130zł/10A.
3) Separator akumulatorów, czyli przekaźnik - do ładowania akumulatora z alternatora. ~30zł za 12V/100A,
3a) plus ew. 30zł za opornicę ograniczającą prąd, do zapewnienia komfortowych warunków ładowania AGM.
4) Przetwornica 12V/230V nie była zakładana w pytaniu, ale często jest pożądana - urządzenie udostępniające prąd 230V gdy nie jesteśmy nigdzie podpięci. Ceny od 100 do 800zł w zależności od jakości i mocy.
5) Automatyka przełączania 230V, gdy dostępne jest napięcie z sieci - czyli następny przekaźnik, ~10zł.
Energoblok, o którym Banan wspomina to zintegrowane 2+3 (w/g instrukcji producenta, choć nie jestem przekonany, czy akurat w tej aukcji zawiera 3), z kilkoma dodatkowymi czujnikami. Fajne, ale ja bym tyle nie dał za sprzęt, który można za 300zł skompletować. Ja przygotowując taką instalację zastanawiałbym się raczej nad Volt sinusPRO-1000S, który za cenę 700zł zawiera 1+2+4+5, i do tego dołożyć własny separator akumulatorów (przekaźnik z opornicą) za te ~60zł.
Ja w smoczycy mam AGM ładowany z alternatora i z solara i instalacja kosztowała ~150zł - ale dużo mniejszy, bez przetwornicy i bez szczególnej automatyki. Opcji do wykorzystania jest bardzo dużo.
Alieno - rozwiń, czy czujesz się na siłach zrobić samemu instalację (na forum są co najmniej 2 szczegółowe opisy), czy tez może oczekujesz gotowca? Jeśli ustalisz jakiś budżet, to też łatwiej będzie rzucać sugestie - co innego można zrobić za 5000zł, co innego za 500 - ale w obu budżetach można znaleźć instalację, która odpowiada na pytanie, którym zacząłeś wątek. |
_________________
 |
|
|
|
 |
grzegorzalex
weteran

Twój sprzęt: Fiat Ducato
Nazwa załogi: Grzegorz i Marzena
Pomógł: 3 razy Dołączył: 29 Gru 2013 Piwa: 38/19 Skąd: Opalenica
|
Wysłany: 2015-03-29, 20:16
|
|
|
Wszystko co związane z siecią 230 V jest energoblok jest informowany, ze jest zasilany 230 V
Nie potrzeba nic więcej ten zestaw ma wszystko, co potrzebne do zarządzania każdym napięciem (230,12 V) |
_________________ Pozdrawiamy Marzena i Grzegorz
 |
|
|
|
 |
grzegorzalex
weteran

Twój sprzęt: Fiat Ducato
Nazwa załogi: Grzegorz i Marzena
Pomógł: 3 razy Dołączył: 29 Gru 2013 Piwa: 38/19 Skąd: Opalenica
|
Wysłany: 2015-03-29, 20:24
|
|
|
| koder napisał/a: | No więc dobrze, wróćmy do kontekstu pytania:
| alieno napisał/a: | | Czy jak zakupię Exide EP2100 AGM Dual Purpose 12V 240Ah to będę mógł doładowywać go poprzez system solarów oraz alternator. Chodzi mi o podłączenie równocześnie solara 100w oraz alternatora do regulatora ładowania który bedzie podłączony do akumulatora. Jężeli to możliwe to może wiecie jaki regulator? 2gie pytanie czy do tego wszystkiego jeszcze mógł bym ładować ten sam akumulator z 230v jak bym zatrzymał sie na kamperparku. |
Żeby zapewnić te funkcje, konieczne są następujące komponenty:
1) Regulator ładowania (MPPT lub PVM, o mocy dobranej do rodzaju paneli) - do ładowania akumulatorów z panela słonecznego. Koszt od 100 do 800zł.
2) Prostownik - do ładowania przy dostępności 230V. Moc należy dobrać do pojemności akumulatora. Cena ~130zł/10A.
3) Separator akumulatorów, czyli przekaźnik - do ładowania akumulatora z alternatora. ~30zł za 12V/100A,
3a) plus ew. 30zł za opornicę ograniczającą prąd, do zapewnienia komfortowych warunków ładowania AGM.
4) Przetwornica 12V/230V nie była zakładana w pytaniu, ale często jest pożądana - urządzenie udostępniające prąd 230V gdy nie jesteśmy nigdzie podpięci. Ceny od 100 do 800zł w zależności od jakości i mocy.
5) Automatyka przełączania 230V, gdy dostępne jest napięcie z sieci - czyli następny przekaźnik, ~10zł.
Energoblok, o którym Banan wspomina to zintegrowane 2+3 (w/g instrukcji producenta, choć nie jestem przekonany, czy akurat w tej aukcji zawiera 3), z kilkoma dodatkowymi czujnikami. Fajne, ale ja bym tyle nie dał za sprzęt, który można za 300zł skompletować. Ja przygotowując taką instalację zastanawiałbym się raczej nad Volt sinusPRO-1000S, który za cenę 700zł zawiera 1+2+4+5, i do tego dołożyć własny separator akumulatorów (przekaźnik z opornicą) za te ~60zł.
Ja w smoczycy mam AGM ładowany z alternatora i z solara i instalacja kosztowała ~150zł - ale dużo mniejszy, bez przetwornicy i bez szczególnej automatyki. Opcji do wykorzystania jest bardzo dużo.
Alieno - rozwiń, czy czujesz się na siłach zrobić samemu instalację (na forum są co najmniej 2 szczegółowe opisy), czy tez może oczekujesz gotowca? Jeśli ustalisz jakiś budżet, to też łatwiej będzie rzucać sugestie - co innego można zrobić za 5000zł, co innego za 500 - ale w obu budżetach można znaleźć instalację, która odpowiada na pytanie, którym zacząłeś wątek. |
Ja nie potrafię zrobić takiego zestawu co, by zarządzał instalacją elektryczną i pewnie wielu na tym forum wiec są zmuszeni do zakupu takich zestawów |
_________________ Pozdrawiamy Marzena i Grzegorz
 |
|
|
|
 |
koder
Kombatant (statystycznie)

Twój sprzęt: Szara Furia (Hilux '20 + zabudowa w trakcie)
Pomógł: 18 razy Dołączył: 10 Lis 2010 Piwa: 188/87 Skąd: Będzin
|
Wysłany: 2015-03-29, 20:35
|
|
|
| grzegorzalex napisał/a: | | Ja nie potrafię zrobić takiego zestawu co, by zarządzał instalacją elektryczną i pewnie wielu na tym forum wiec są zmuszeni do zakupu takich zestawów |
Kodi też nie umiał, ale z pomocą kolegów z forum zrobił (temat enegobloku zaczyna się tutaj). Ale oczywiście rozumiem, jak ktoś woli po prostu kupić.
Dla jasności, załączam schemat ideowy tego PC-100.
pc100.png
|
 |
| Plik ściągnięto 163 raz(y) 80,62 KB |
|
_________________
 |
|
|
|
 |
|
|
Nie możesz pisać nowych tematów Nie możesz odpowiadać w tematach Nie możesz zmieniać swoich postów Nie możesz usuwać swoich postów Nie możesz głosować w ankietach Nie możesz załączać plików na tym forum Możesz ściągać załączniki na tym forum
|
Dodaj temat do ulubionych Wersja do druku
|
|